方型电脑自动电饭煲3

📅 发布时间:2013-09-12 01:20 👁️ 浏览:0 🏷️ 标签: 电脑 自动 电饭煲

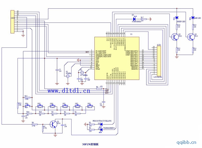
      方型电脑电饭煲,立体加热、双传感器,LCD显示,背光,五大功能,S3C9228。

觉得这篇文章有帮助吗?