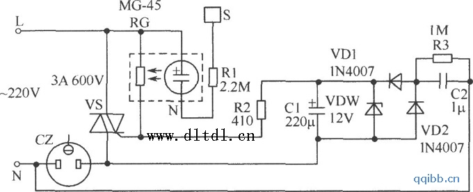
如图所示电路,当用手指触摸金属片S时,氖管N发光,由于N和光敏电阻RG构成光电耦合器,使RG阻值变小,于是双向晶闸管VS因获得足够的触发电流而导通,故插座CZ上的负载得电而工作。与此同时,CZ上的220V交流电压经过电容C2降压,二极管VD1和VD2整流,稳压管VDW稳压,电容C1滤波后获得的直流电压经电阻R2加到VS的控制极上,因此即使触摸S的手指已离开,VS仍维持导通,使接在CZ上的负载正常通电工作。当电网停电后又重新供电时,因VS未得到足够的触发电流,所以不能导通,使CZ上的负载处于断电状态。只有重新触摸才能使CZ上的负载接通电源。电路不接负载时,插座自身耗电甚微(约0.5W)。插座负载能力高达500W。该电路还有一个特点:插座上没有负载时,即使触摸了S,插座上也不带电。
元器件选择:氖管N选择普通氖管,光敏电阻RG选择MG-45型号。VDW选择稳压为12V的稳压二极管。电阻选择(1/4)W的。其他元器件如图所示。