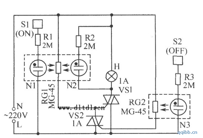
电路原理如图所示,氖管N1、N2与光敏电阻RG1构成光电耦合器。当用手指触摸金属片S1时,N1发光,使RG1阻值变小,于是双向晶闸管VS1因获得足够的触发电流而导通,故灯泡H得电而点亮。与此同时,H上的220V交流电压使N2发光,此光线当然也照在RG1上,所以这时,即使触摸停止,VS1仍然保持在导通的状态,即H仍然保持点亮。图中氖管N3和光敏电阻RG2构成另一个光电耦合器。H点亮后,如果触摸金属片S2,则N3发光,使RG2阻值变小,双向晶闸管VS2因获得足够的触发电流而导通,使VS1因其G极与T1极短接而截止,H熄灭。综上所述:触摸一下S1,H点亮;再触摸一下S2,H熄灭;如此周而复始。N1、N2、N3用启辉电压为60V左右的氖管,灯泡的功率要小于100W,S1和S2为铜片,大小为5mm×5mm。其他元器件无特殊要求。整个电路结构简单,只要装焊无误,不用调试即可正常工作。
