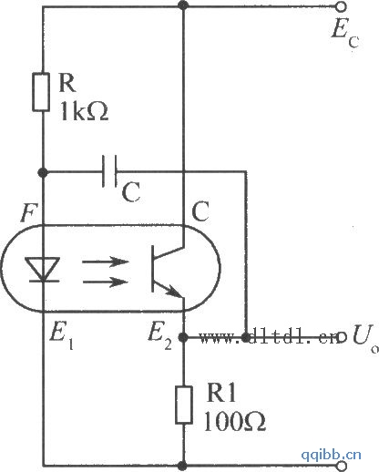
如图所示为光电耦合器组成的最简单的多谐振荡器。接通电源后,由于电容C两端的电压不能突变,以及电阻R的数值大于RL,则此时电源电压Ec主要加在R上,F点电位很低,发光二极管处于截止状态,随着电容的充电电压的增加,F 点电位逐渐增高,增高到一定值时使发光二极管导通发光,光敏三极管导通饱和,输出电压发生跃变使之接近电源电压,而电容上存留电荷则通过光敏三极管、发光二极管通路快速放电,并经此通路对电容进行反向充电,充到一定程度,又促使发光二极管截止进而使光敏三极管截止,电容再次通过电阻R和RL放电,反向充电,发光二极管再次发光,光敏三极管再次饱和,如此循环形成振荡,其波形见下图。电路中的电容C应选用无极性电容,这是因为要进行正反两个方向充电。

