⭐ 欢迎来到虫虫下载站! | 📦 资源下载 📁 资源专辑 ℹ️ 关于我们
⭐ 虫虫下载站
🔐 登录 📝 注册
虫虫下载站
虫虫下载站
专业电子工程师资源平台
📤 上传资源
  • 🏠 首页
  • 📦 资源下载
  • 📁 资源专辑
  • 🔧 热门软件
  • ⭐ 精品资源
  • 🎓 基础知识
  • 📐 电路图
  • 📚 电子书
  • 🔢 在线计算器
  • 🔍 代码搜索
🏠 首页 › 📐 电路图 › 传感应用

📐 传感应用

📊 共 182 个电路图 🎨 设计参考
微波传感模块RD627A的应用电路图

微波传感模块RD627A的应用

📅 01-01 查看 →
智能无线防盗系统的设计电路图

智能无线防盗系统的设计

📅 01-01 查看 →
禽蛋孵化恒温箱工作原理分析电路图

禽蛋孵化恒温箱工作原理分析

📅 01-01 查看 →
由AD421构成的基于HART协议的智能变送器电路图

由AD421构成的基于HART协议的智能变送器

📅 01-01 查看 →
LED通用电平显示电路电路图

LED通用电平显示电路

📅 01-01 查看 →
AD7714与Pt100型铂热电阻电路图

AD7714与Pt100型铂热电阻

📅 01-01 查看 →
可编程传感器AD7714与DS电路图

可编程传感器AD7714与DS

📅 01-01 查看 →
采用AD7714构成压力测量电路图

采用AD7714构成压力测量

📅 01-01 查看 →
AD7714应用电路图电路图

AD7714应用电路图

📅 01-01 查看 →
AD7714与51单片机的接口电路图

AD7714与51单片机的接口

📅 01-01 查看 →
MAX1460和硅压力传感器构电路图

MAX1460和硅压力传感器构

📅 01-01 查看 →
MAX1463构成的高精度压力电路图

MAX1463构成的高精度压力

📅 01-01 查看 →
TSS400-S2与E2PROM接口电电路图

TSS400-S2与E2PROM接口电

📅 01-01 查看 →
可编程传感器信号处理器电路图

可编程传感器信号处理器

📅 01-01 查看 →
可编程传感器信号处理器电路图

可编程传感器信号处理器

📅 01-01 查看 →
可编程传感器信号处理器电路图

可编程传感器信号处理器

📅 01-01 查看 →
线性磁场传感器AD22151构电路图

线性磁场传感器AD22151构

📅 01-01 查看 →
磁场传感器AD22151单极性电路图

磁场传感器AD22151单极性

📅 01-01 查看 →
电场感应器件MC33794与处电路图

电场感应器件MC33794与处

📅 01-01 查看 →
基于磁场传感器HMC1001/电路图

基于磁场传感器HMC1001/

📅 01-01 查看 →
带串行接口的单轴磁场传电路图

带串行接口的单轴磁场传

📅 01-01 查看 →
双轴磁场传感器HMC1002应电路图

双轴磁场传感器HMC1002应

📅 01-01 查看 →
磁场传感器HMC1001组成的电路图

磁场传感器HMC1001组成的

📅 01-01 查看 →
智能化超声波测距中的温电路图

智能化超声波测距中的温

📅 01-01 查看 →
uA741,LM567,KD153组成的电路图

uA741,LM567,KD153组成的

📅 01-01 查看 →
采用NE555的超声波液位指电路图

采用NE555的超声波液位指

📅 01-01 查看 →
智能化超声波测距芯片SB电路图

智能化超声波测距芯片SB

📅 01-01 查看 →
LM567与KD56022组成的盲电路图

LM567与KD56022组成的盲

📅 01-01 查看 →
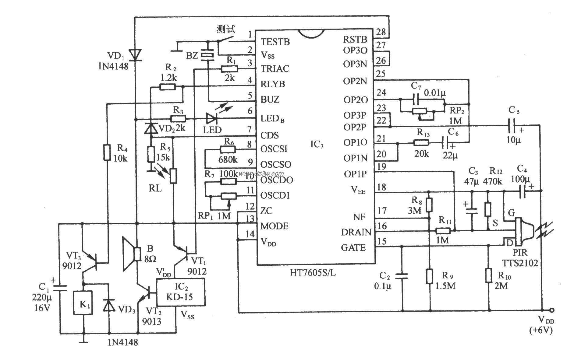
红外传感器的安全防范装电路图

红外传感器的安全防范装

📅 01-01 查看 →
采用TC620温度传感器的计电路图

采用TC620温度传感器的计

📅 01-01 查看 →
  • 首页
  • « 上一页
  • 1
  • 2
  • 3
  • 4
  • 5
  • 6
  • 7
  • 下一页 »
  • 末页
🔐 用户登录
加载中...

加载登录表单中...

🎁 免费注册送10积分
加载中...

加载注册表单中...

🔑 找回密码
加载中...

加载表单中...

🔐 需要登录
🔒

登录后即可使用!

🎁 新用户注册立即送10积分
积分可用于下载资源,免费获取优质技术资料
🚪 退出登录
👋

确认要退出登录吗?

退出后需要重新登录才能下载资源

关于虫虫

虫虫下载站是专业的电子工程师资源分享平台,汇聚 622,478+ 优质资源,为工程师提供免费、专业的技术资料。

🌐

快速链接

  • 📦 资源下载
  • 📁 资源专辑
  • 📐 电路图库
  • 📚 电子书籍
  • 🧮 在线计算器

帮助中心

  • 📋 服务条款
  • ℹ️ 关于我们
  • ⚠️ 免责声明
  • 🗺️ 网站地图

联系我们

扫码关注我们

虫虫下载站二维码

虫虫小帮手

© 2011-2025 虫虫下载站 - 专业的电子工程师资源分享平台 | 让技术资源触手可及

京ICP备2021023401号-1