TH71071是一款单片发射器芯片,符合EN 300 220及类似标准,可用于无钥匙进入系统、遥控/遥测系统、数据通信系统和安防等系统中。
主要技术特点如下: ·工作在310~450 MHz频段; ·ASK/FM调制方式; ·ASK通过内部功率放大器导通/关闭键控法获得; ·FM利用外接的变容二极管; ·电源电压为2.2~5.5 V: ·工作电流为4.8~11.5 mA,最大待机电流为0.1μA; ·输出功率为-12~ 2 dBm.

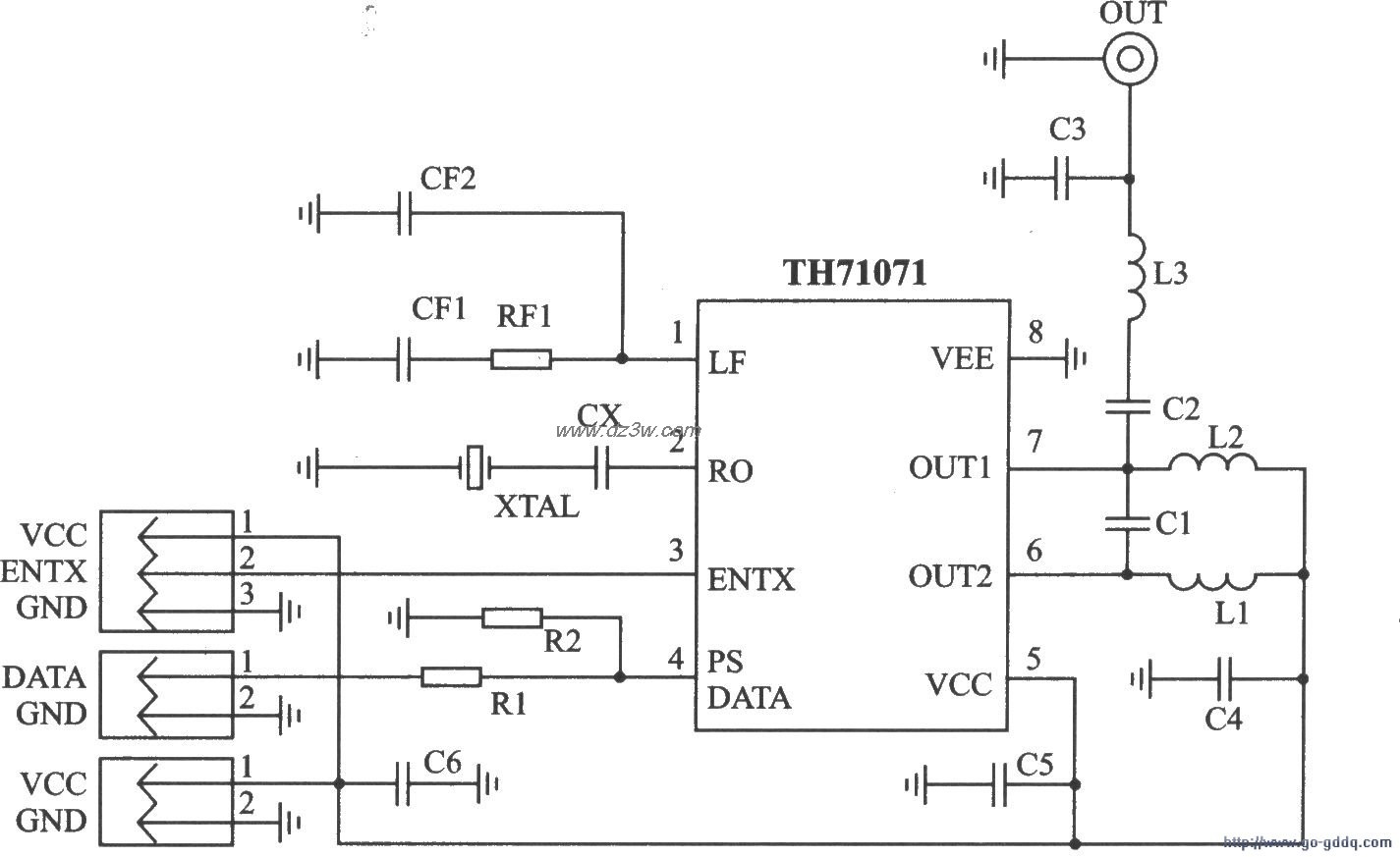
TH71071的应用电路 TH71071的应用电路的元件器件


TH71071 发射器主要技术特点及应用电路
觉得这篇文章有帮助吗?