RFW302是一种半双工、采用直接序列扩频技术(DSSS)无线收发器模块,符合美国联邦通信委员会(FCC)Part l5.247和欧洲电信标准协会(ETSI)300 328的技术规范。RFW302适合无线游戏键盘和鼠标、无线手机和数字音乐(MP3)耳机、家庭自动化和安防产品、工业自动化及遥控/遥测等领域中的应用。
主要技术特点如下: ·工作在2.4~2.4835 GHz ISM频段; ·数据传输速率最高可达3.2 Mb/s; ·输出功率达 0 dBm(峰值); ·接收灵敏度为-77 dBm,室内有效距离约20 m; ·电源电压为2.7~3.6 V,功耗较低,适于电池驱动; ·电流消耗在3.2 Mb/s时为43 mA,在1 Kb/s时为28 pA,待机电流为6 μA; ·提供3线串行接口,连接8位微控制器。

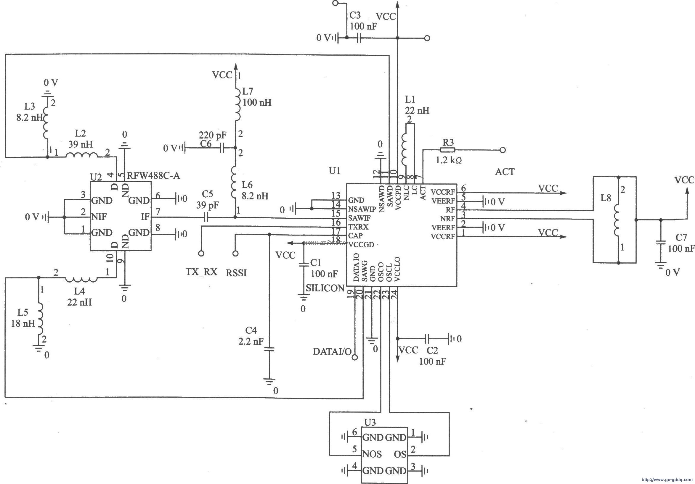
RFW302的应用电路
RFW302 收发器模块主要技术特点及应用电路
觉得这篇文章有帮助吗?