⭐ 欢迎来到虫虫下载站!
|
📦 资源下载
📁 资源专辑
ℹ️ 关于我们
⭐ 虫虫下载站
🔐
登录
📝
注册
虫虫下载站
专业电子工程师资源平台
📤 上传资源
🏠 首页
📦 资源下载
📁 资源专辑
🔧 热门软件
⭐ 精品资源
🎓 基础知识
📐 电路图
📚 电子书
🔢 在线计算器
🔍 代码搜索
🏠 首页
›
电子学院
›
器件知识
›
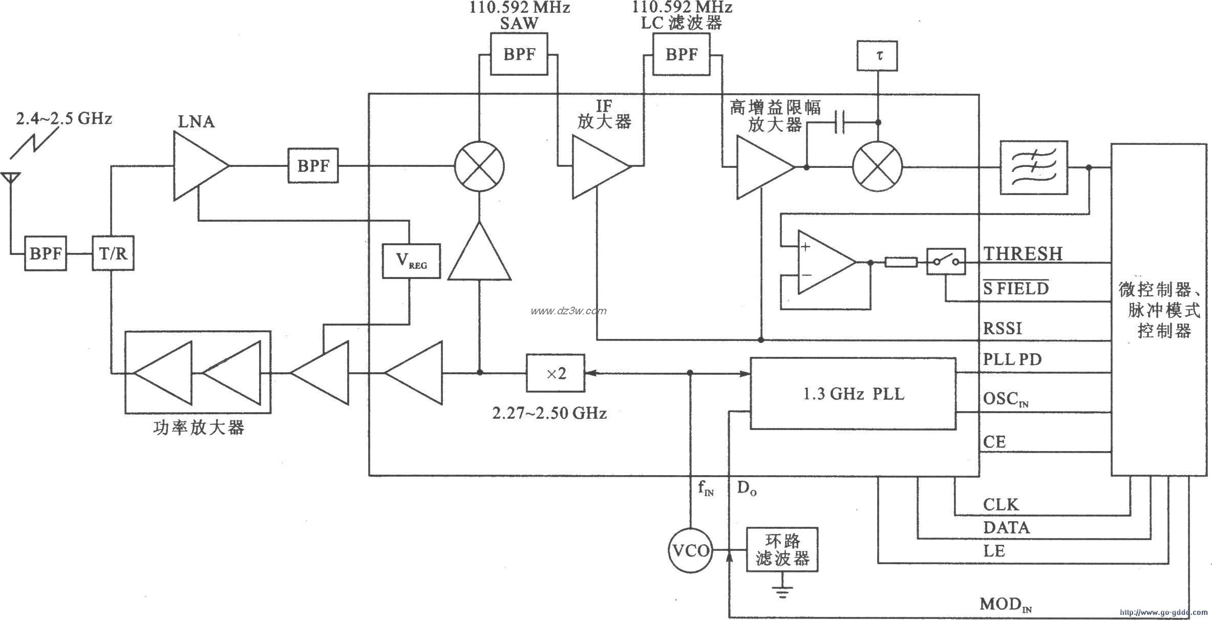
LMX3162无线电收发器芯片主要技术特点
LMX3162无线电收发器芯片主要技术特点
📅 发布时间:
2013-05-31 00:00
👁️ 浏览:
2
🏷️ 标签:
3162
LMX
无线电收发器
技术特点
LMX3162是采用National,s AbIC V BiCMOS(FT =18GHz)制造的无线电收发器芯片。它适合在2.45 GHz 频带无线系统、专用无线通信(PCS/PCN)、无线局域网以及柚无线通信系统中应用。
主要技术特点如下: ·系统RF灵敏度为-93 dBm; ·RSSl灵敏度为-100 dBm; ·提供2路基准电压供给分立扩音器; ·电源电压为3~5.5 V,有低功耗模式; ·系统噪声系数为6.5 dB(典型值)。
LMX3162应用电路方框图
觉得这篇文章有帮助吗?
👍 来顶一下 (
63
)
🔐 用户登录
×
加载中...
加载登录表单中...
🎁
免费注册送10积分
×
加载中...
加载注册表单中...
🔑 找回密码
×
加载中...
加载表单中...
🔐
需要登录
×
🔒
登录后即可使用!
🎁
新用户注册立即送10积分
积分可用于下载资源,免费获取优质技术资料
🚪
退出登录
×
👋
确认要退出登录吗?
退出后需要重新登录才能下载资源