INA141引脚排列及内部框图

📅 发布时间:2013-05-28 22:30 👁️ 浏览:0 🏷️ 标签: INA 141 引脚

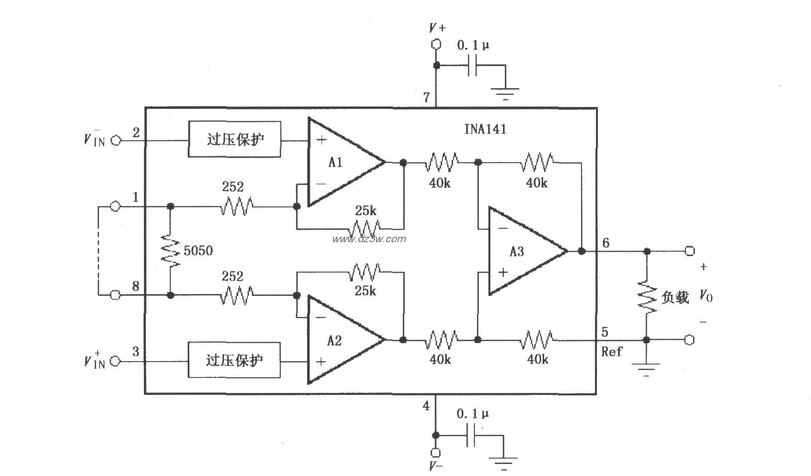
INA141是低功率精密通用型仪表放大器,内部采用通用的3个运放和小尺寸设计,具有很广的应用范围。即使在高增益状态下(G=100时为200kHz),电流反馈输入电路也能提供很宽的带宽。INA141通过简单的脚连接就可精确设置增益G=10或100,而无需外部电阻,内部输入保护使其能够经受±40V电压而不会损坏。其引脚排列如下所示。

内部框图:


觉得这篇文章有帮助吗?