⭐ 欢迎来到虫虫下载站! | 📦 资源下载 📁 资源专辑 ℹ️ 关于我们
⭐ 虫虫下载站
🔐 登录 📝 注册
虫虫下载站
虫虫下载站
专业电子工程师资源平台
📤 上传资源
  • 🏠 首页
  • 📦 资源下载
  • 📁 资源专辑
  • 🔧 热门软件
  • ⭐ 精品资源
  • 🎓 基础知识
  • 📐 电路图
  • 📚 电子书
  • 🔢 在线计算器
  • 🔍 代码搜索
🏠 首页 › 📐 电路图 › 电源电路

📐 电源电路

📊 共 198 个电路图 🎨 设计参考
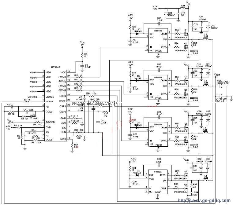
915、945电脑主板的CPU供电路图

915、945电脑主板的CPU供

📅 01-01 查看 →
48V输入12V输出的直流降电路图

48V输入12V输出的直流降

📅 01-01 查看 →
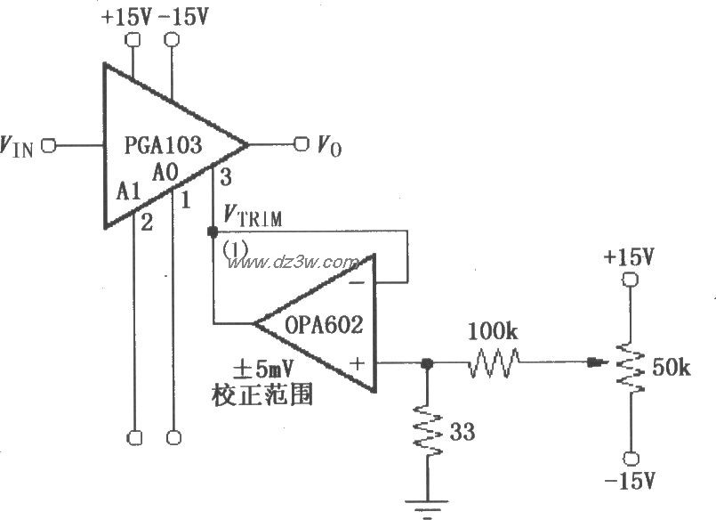
PGA103失调电压校正电路电路图

PGA103失调电压校正电路

📅 01-01 查看 →
可用A4开关电源:日立A3电路图

可用A4开关电源:日立A3

📅 01-01 查看 →
绝对可用A4开关电源:日电路图

绝对可用A4开关电源:日

📅 01-01 查看 →
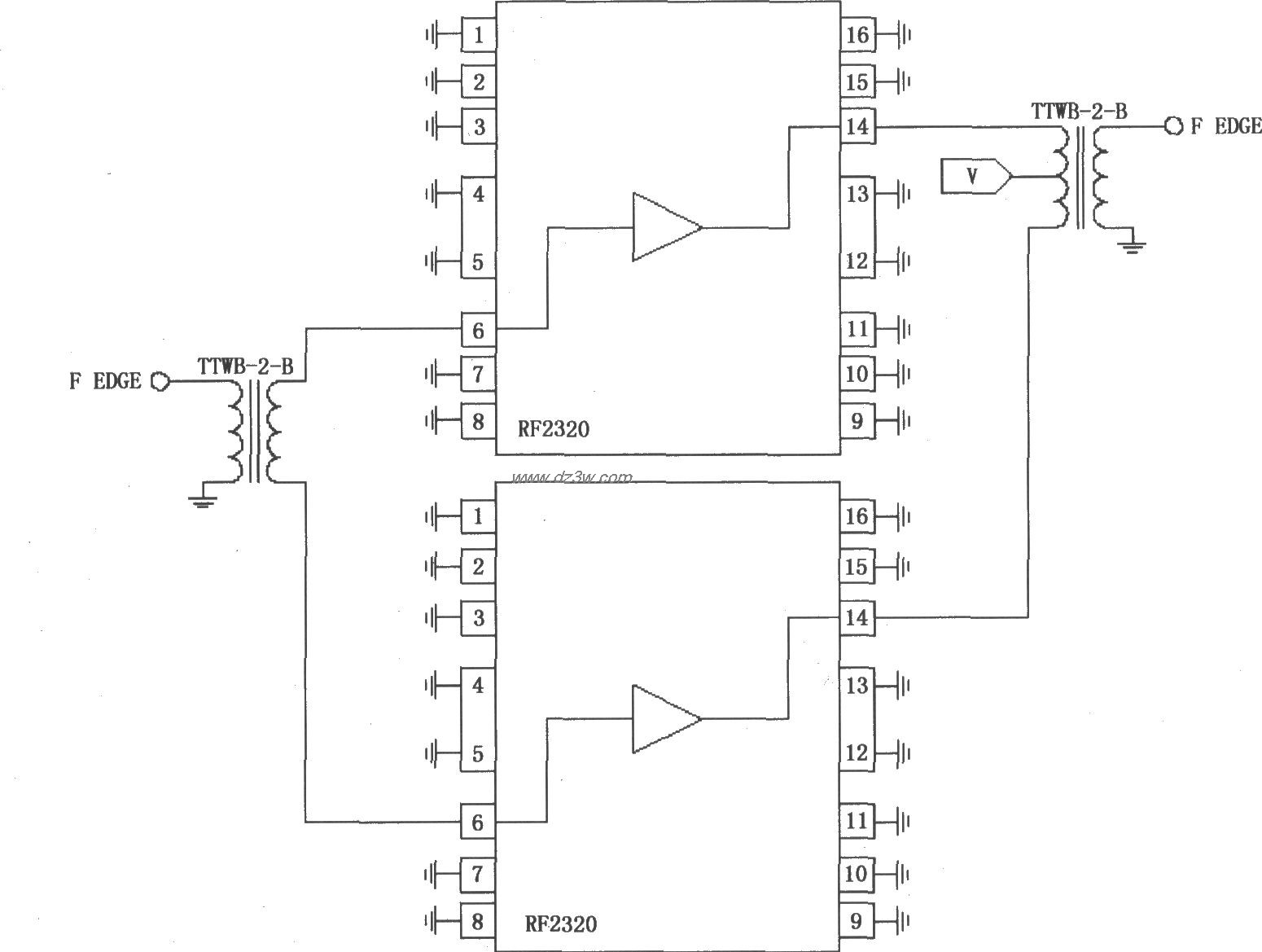
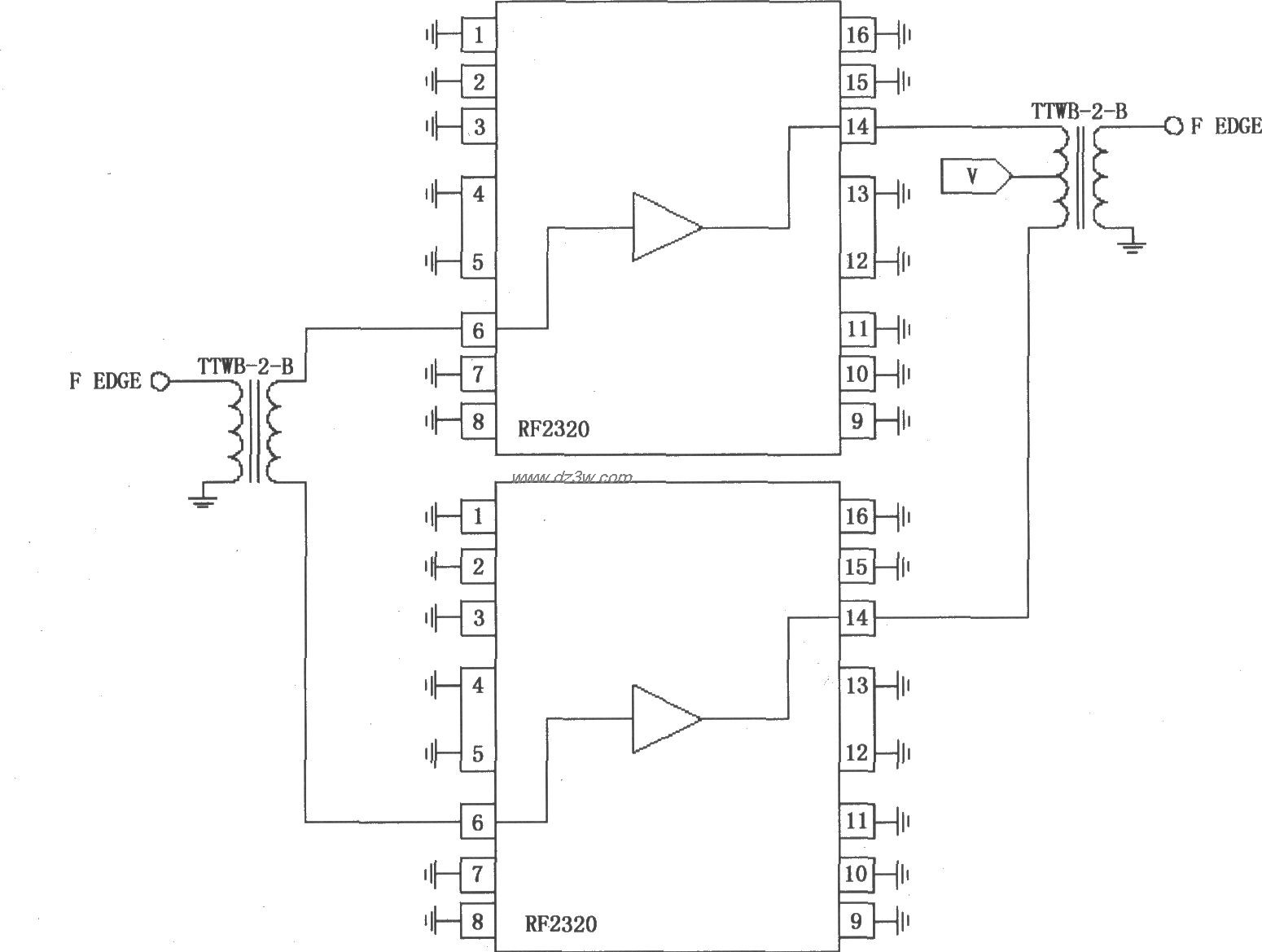
由RF2320构成的上拉24V电电路图

由RF2320构成的上拉24V电

📅 01-01 查看 →
由RF2320构成的上拉标准电路图

由RF2320构成的上拉标准

📅 01-01 查看 →
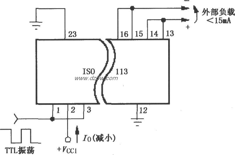
减小功耗的ISOll3电路电路图

减小功耗的ISOll3电路

📅 01-01 查看 →
INA125的基准电源扩流电电路图

INA125的基准电源扩流电

📅 01-01 查看 →
用3V电源为12V压电式扬声电路图

用3V电源为12V压电式扬声

📅 01-01 查看 →
PGA202信号和电源的基本电路图

PGA202信号和电源的基本

📅 01-01 查看 →
LM317T与LM338K制作的维电路图

LM317T与LM338K制作的维

📅 01-01 查看 →
LM338大电流可调稳压电源电路图

LM338大电流可调稳压电源

📅 01-01 查看 →
0-正负15V可调直流稳压电电路图

0-正负15V可调直流稳压电

📅 01-01 查看 →
可调稳压器LM317电源应用电路图

可调稳压器LM317电源应用

📅 01-01 查看 →
由RF2347构成的836MHz低电路图

由RF2347构成的836MHz低

📅 01-01 查看 →
简易12V,正负5VV输出稳压电路图

简易12V,正负5VV输出稳压

📅 01-01 查看 →
三端稳压器(LM7805,LM31电路图

三端稳压器(LM7805,LM31

📅 01-01 查看 →
LM7805组成的输出电压可电路图

LM7805组成的输出电压可

📅 01-01 查看 →
RCV420电流-电压变换电路电路图

RCV420电流-电压变换电路

📅 01-01 查看 →
XTR101浮动电压源电路电路图

XTR101浮动电压源电路

📅 01-01 查看 →
明基Q7T3液晶显示器电源电路图

明基Q7T3液晶显示器电源

📅 01-01 查看 →
用1-2节电池输出3.3V或5电路图

用1-2节电池输出3.3V或5

📅 01-01 查看 →
提高电源抑制比(PSR)电路电路图

提高电源抑制比(PSR)电路

📅 01-01 查看 →
普通晶闸管无级调压电路电路图

普通晶闸管无级调压电路

📅 01-01 查看 →
输出电压可调的稳压式多电路图

输出电压可调的稳压式多

📅 01-01 查看 →
采用MOSFET管的稳压器扩电路图

采用MOSFET管的稳压器扩

📅 01-01 查看 →
步步高复读机电源电路电路图

步步高复读机电源电路

📅 01-01 查看 →
稳定可靠的LM317应用电路电路图

稳定可靠的LM317应用电路

📅 01-01 查看 →
5V/1A的降压型直流稳压电电路图

5V/1A的降压型直流稳压电

📅 01-01 查看 →
  • 首页
  • « 上一页
  • 1
  • 2
  • 3
  • 4
  • 5
  • 6
  • 7
  • 下一页 »
  • 末页
🔐 用户登录
加载中...

加载登录表单中...

🎁 免费注册送10积分
加载中...

加载注册表单中...

🔑 找回密码
加载中...

加载表单中...

🔐 需要登录
🔒

登录后即可使用!

🎁 新用户注册立即送10积分
积分可用于下载资源,免费获取优质技术资料
🚪 退出登录
👋

确认要退出登录吗?

退出后需要重新登录才能下载资源

关于虫虫

虫虫下载站是专业的电子工程师资源分享平台,汇聚 622,478+ 优质资源,为工程师提供免费、专业的技术资料。

🌐

快速链接

  • 📦 资源下载
  • 📁 资源专辑
  • 📐 电路图库
  • 📚 电子书籍
  • 🧮 在线计算器

帮助中心

  • 📋 服务条款
  • ℹ️ 关于我们
  • ⚠️ 免责声明
  • 🗺️ 网站地图

联系我们

扫码关注我们

虫虫下载站二维码

虫虫小帮手

© 2011-2025 虫虫下载站 - 专业的电子工程师资源分享平台 | 让技术资源触手可及

京ICP备2021023401号-1