⭐ 欢迎来到虫虫下载站! | 📦 资源下载 📁 资源专辑 ℹ️ 关于我们
⭐ 虫虫下载站
🔐 登录 📝 注册
虫虫下载站
虫虫下载站
专业电子工程师资源平台
📤 上传资源
  • 🏠 首页
  • 📦 资源下载
  • 📁 资源专辑
  • 🔧 热门软件
  • ⭐ 精品资源
  • 🎓 基础知识
  • 📐 电路图
  • 📚 电子书
  • 🔢 在线计算器
  • 🔍 代码搜索
🏠 首页 › 📐 电路图 › 电源电路

📐 电源电路

📊 共 198 个电路图 🎨 设计参考
双向晶闸管构成的交流调电路图

双向晶闸管构成的交流调

📅 01-01 查看 →
投影灯用晶闸管交流调压电路图

投影灯用晶闸管交流调压

📅 01-01 查看 →
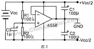
正负24V转正负15V稳压电电路图

正负24V转正负15V稳压电

📅 01-01 查看 →
12V正负电源电路图电路图

12V正负电源电路图

📅 01-01 查看 →
RT8485典型应用电路电路图

RT8485典型应用电路

📅 01-01 查看 →
MAX692/MAX690/MAX694看电路图

MAX692/MAX690/MAX694看

📅 01-01 查看 →
采用MAX8215的单片机多路电路图

采用MAX8215的单片机多路

📅 01-01 查看 →
0-25V,0-1.5A可调电流,电路图

0-25V,0-1.5A可调电流,

📅 01-01 查看 →
带输入输出短路保护功能电路图

带输入输出短路保护功能

📅 01-01 查看 →
LM350典型应用路电路图

LM350典型应用路

📅 01-01 查看 →
LM386组成的单电源转正负电路图

LM386组成的单电源转正负

📅 01-01 查看 →
运放组成的单电源转正负电路图

运放组成的单电源转正负

📅 01-01 查看 →
采用非门的单电源转正负电路图

采用非门的单电源转正负

📅 01-01 查看 →
维修、充电多用直流稳压电路图

维修、充电多用直流稳压

📅 01-01 查看 →
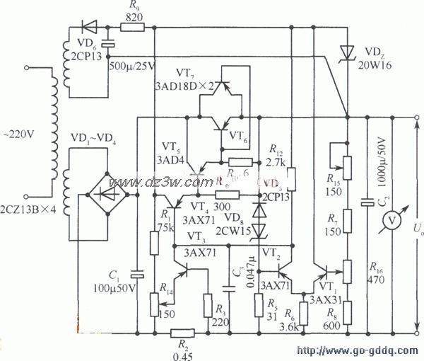
限流保护24V稳压电源电路电路图

限流保护24V稳压电源电路

📅 01-01 查看 →
TL431基本电路及高精度可电路图

TL431基本电路及高精度可

📅 01-01 查看 →
TL431恒流源电路图电路图

TL431恒流源电路图

📅 01-01 查看 →
MAX4834/MAX4835典型应电路图

MAX4834/MAX4835典型应

📅 01-01 查看 →
LM350缓启动电路图电路图

LM350缓启动电路图

📅 01-01 查看 →
带电子关断功能的5V直流电路图

带电子关断功能的5V直流

📅 01-01 查看 →
LM350组成的限流稳压电电路图

LM350组成的限流稳压电

📅 01-01 查看 →
用MIC5157构成的输出3.3电路图

用MIC5157构成的输出3.3

📅 01-01 查看 →
用LM338构成的高精度大电电路图

用LM338构成的高精度大电

📅 01-01 查看 →
用TWH9101构成的低压差高电路图

用TWH9101构成的低压差高

📅 01-01 查看 →
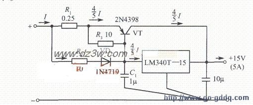
用LM340T-15组成的15V、电路图

用LM340T-15组成的15V、

📅 01-01 查看 →
用构5G14成的3~6V可调电电路图

用构5G14成的3~6V可调电

📅 01-01 查看 →
TL431组成的鉴幅器电路电路图

TL431组成的鉴幅器电路

📅 01-01 查看 →
TL431典型应用电路及参数电路图

TL431典型应用电路及参数

📅 01-01 查看 →
用CW7800构成的大电流输电路图

用CW7800构成的大电流输

📅 01-01 查看 →
用CW7800构成的大电流输电路图

用CW7800构成的大电流输

📅 01-01 查看 →
  • 首页
  • « 上一页
  • 1
  • 2
  • 3
  • 4
  • 5
  • 6
  • 7
  • 下一页 »
  • 末页
🔐 用户登录
加载中...

加载登录表单中...

🎁 免费注册送10积分
加载中...

加载注册表单中...

🔑 找回密码
加载中...

加载表单中...

🔐 需要登录
🔒

登录后即可使用!

🎁 新用户注册立即送10积分
积分可用于下载资源,免费获取优质技术资料
🚪 退出登录
👋

确认要退出登录吗?

退出后需要重新登录才能下载资源

关于虫虫

虫虫下载站是专业的电子工程师资源分享平台,汇聚 622,478+ 优质资源,为工程师提供免费、专业的技术资料。

🌐

快速链接

  • 📦 资源下载
  • 📁 资源专辑
  • 📐 电路图库
  • 📚 电子书籍
  • 🧮 在线计算器

帮助中心

  • 📋 服务条款
  • ℹ️ 关于我们
  • ⚠️ 免责声明
  • 🗺️ 网站地图

联系我们

扫码关注我们

虫虫下载站二维码

虫虫小帮手

© 2011-2025 虫虫下载站 - 专业的电子工程师资源分享平台 | 让技术资源触手可及

京ICP备2021023401号-1