⭐ 欢迎来到虫虫下载站! | 📦 资源下载 📁 资源专辑 ℹ️ 关于我们
⭐ 虫虫下载站
🔐 登录 📝 注册
虫虫下载站
虫虫下载站
专业电子工程师资源平台
📤 上传资源
  • 🏠 首页
  • 📦 资源下载
  • 📁 资源专辑
  • 🔧 热门软件
  • ⭐ 精品资源
  • 🎓 基础知识
  • 📐 电路图
  • 📚 电子书
  • 🔢 在线计算器
  • 🔍 代码搜索
🏠 首页 › 📐 电路图 › 其他电路

📐 其他电路

📊 共 894 个电路图 🎨 设计参考
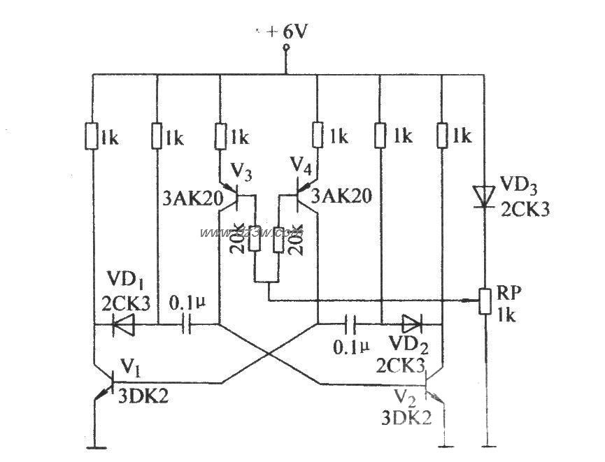
具有自给偏置的单稳态电电路图

具有自给偏置的单稳态电

📅 01-01 查看 →
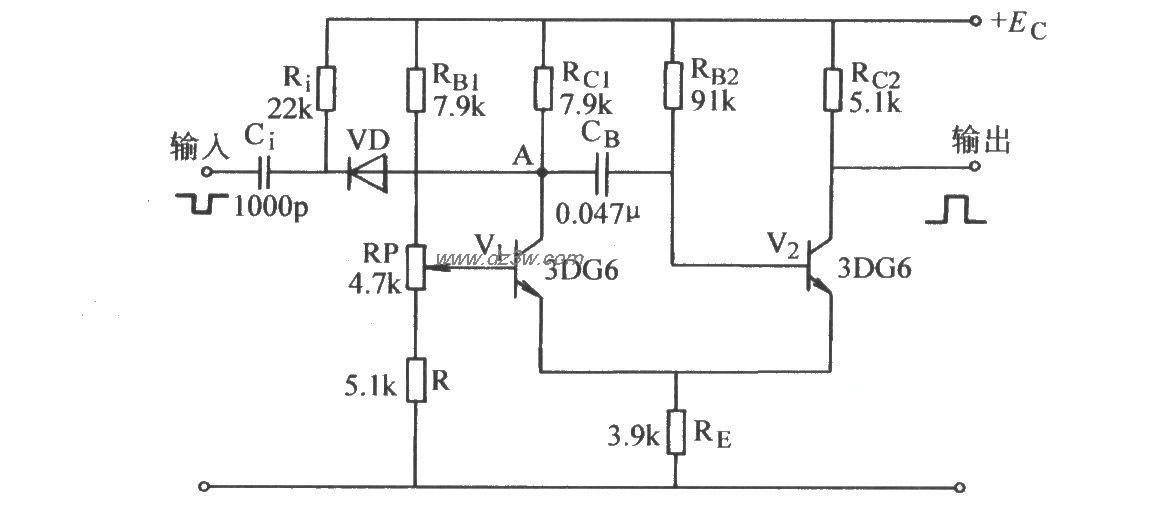
具有钳位的单稳态电路电路图

具有钳位的单稳态电路

📅 01-01 查看 →
触发信号加至截止管基极电路图

触发信号加至截止管基极

📅 01-01 查看 →
触发信号加至导通管基极电路图

触发信号加至导通管基极

📅 01-01 查看 →
具有较长暂稳时间的单稳电路图

具有较长暂稳时间的单稳

📅 01-01 查看 →
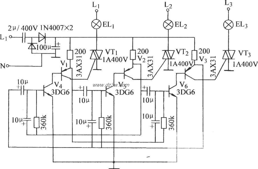
40路医用无线呼叫系统电路图

40路医用无线呼叫系统

📅 01-01 查看 →
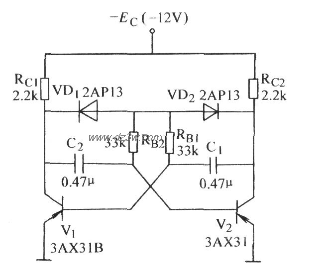
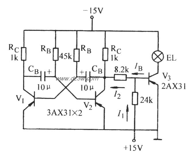
射极耦合双稳态波形变化电路图

射极耦合双稳态波形变化

📅 01-01 查看 →
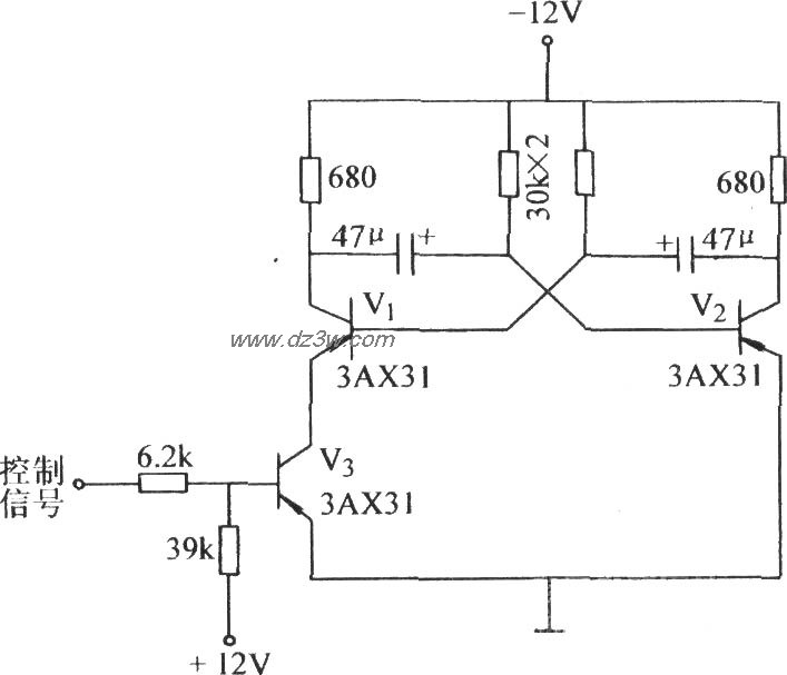
可提高灵敏度的射极耦合电路图

可提高灵敏度的射极耦合

📅 01-01 查看 →
隧道二极管双稳态电路电路图

隧道二极管双稳态电路

📅 01-01 查看 →
具有门限电压值的射极耦电路图

具有门限电压值的射极耦

📅 01-01 查看 →
低频无稳态电路电路图

低频无稳态电路

📅 01-01 查看 →
磁带运动方向显示电路电路图

磁带运动方向显示电路

📅 01-01 查看 →
三稳态电路电路图

三稳态电路

📅 01-01 查看 →
具有幅度稳定的无稳态电电路图

具有幅度稳定的无稳态电

📅 01-01 查看 →
无稳态闪光电路电路图

无稳态闪光电路

📅 01-01 查看 →
具有温度补偿频率稳定的电路图

具有温度补偿频率稳定的

📅 01-01 查看 →
具有脉冲宽度可调的无稳电路图

具有脉冲宽度可调的无稳

📅 01-01 查看 →
脉冲宽度分档调节的无稳电路图

脉冲宽度分档调节的无稳

📅 01-01 查看 →
容易起振的无稳态电路电路图

容易起振的无稳态电路

📅 01-01 查看 →
可控制的无稳态电路电路图

可控制的无稳态电路

📅 01-01 查看 →
直接带动继电器的无稳态电路图

直接带动继电器的无稳态

📅 01-01 查看 →
三管无稳态触发双向晶闸电路图

三管无稳态触发双向晶闸

📅 01-01 查看 →
三管无稳态带动三只继电电路图

三管无稳态带动三只继电

📅 01-01 查看 →
运放电源去耦旁路措施电路图

运放电源去耦旁路措施

📅 01-01 查看 →
能带动两只继电器的无稳电路图

能带动两只继电器的无稳

📅 01-01 查看 →
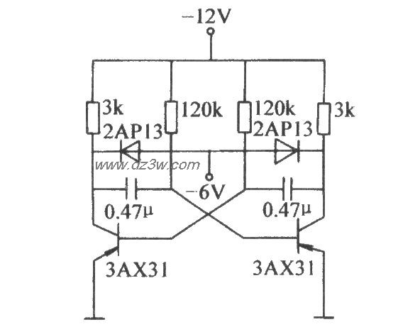
射极耦合单稳态电路电路图

射极耦合单稳态电路

📅 01-01 查看 →
单管延时吸合继电器电路电路图

单管延时吸合继电器电路

📅 01-01 查看 →
晶体管反相器电路电路图

晶体管反相器电路

📅 01-01 查看 →
射极跟随器电路电路图

射极跟随器电路

📅 01-01 查看 →
带灯反相器电路电路图

带灯反相器电路

📅 01-01 查看 →
  • 首页
  • « 上一页
  • 1
  • 2
  • 3
  • 4
  • 5
  • 6
  • 7
  • 8
  • 9
  • 10
  • 下一页 »
  • 末页
🔐 用户登录
加载中...

加载登录表单中...

🎁 免费注册送10积分
加载中...

加载注册表单中...

🔑 找回密码
加载中...

加载表单中...

🔐 需要登录
🔒

登录后即可使用!

🎁 新用户注册立即送10积分
积分可用于下载资源,免费获取优质技术资料
🚪 退出登录
👋

确认要退出登录吗?

退出后需要重新登录才能下载资源

关于虫虫

虫虫下载站是专业的电子工程师资源分享平台,汇聚 622,478+ 优质资源,为工程师提供免费、专业的技术资料。

🌐

快速链接

  • 📦 资源下载
  • 📁 资源专辑
  • 📐 电路图库
  • 📚 电子书籍
  • 🧮 在线计算器

帮助中心

  • 📋 服务条款
  • ℹ️ 关于我们
  • ⚠️ 免责声明
  • 🗺️ 网站地图

联系我们

扫码关注我们

虫虫下载站二维码

虫虫小帮手

© 2011-2025 虫虫下载站 - 专业的电子工程师资源分享平台 | 让技术资源触手可及

京ICP备2021023401号-1