⭐ 欢迎来到虫虫下载站! | 📦 资源下载 📁 资源专辑 ℹ️ 关于我们
⭐ 虫虫下载站
🔐 登录 📝 注册
虫虫下载站
虫虫下载站
专业电子工程师资源平台
📤 上传资源
  • 🏠 首页
  • 📦 资源下载
  • 📁 资源专辑
  • 🔧 热门软件
  • ⭐ 精品资源
  • 🎓 基础知识
  • 📐 电路图
  • 📚 电子书
  • 🔢 在线计算器
  • 🔍 代码搜索
🏠 首页 › 📐 电路图 › 其他电路

📐 其他电路

📊 共 894 个电路图 🎨 设计参考
长延时电子定时器电路电路图

长延时电子定时器电路

📅 01-01 查看 →
新一代的触摸无级调光调电路图

新一代的触摸无级调光调

📅 01-01 查看 →
ZX5—630可控硅整流弧焊电路图

ZX5—630可控硅整流弧焊

📅 01-01 查看 →
用集成触发器KC04的调速电路图

用集成触发器KC04的调速

📅 01-01 查看 →
MA21小型电子调速器电路电路图

MA21小型电子调速器电路

📅 01-01 查看 →
超精度长延时电路电路图

超精度长延时电路

📅 01-01 查看 →
长时间计时器电路电路图

长时间计时器电路

📅 01-01 查看 →
大功率直流电机调速电路电路图

大功率直流电机调速电路

📅 01-01 查看 →
三相四线制的缺相保护电电路图

三相四线制的缺相保护电

📅 01-01 查看 →
性能优良的市电过压保护电路图

性能优良的市电过压保护

📅 01-01 查看 →
低压灯定时闪烁电路电路图

低压灯定时闪烁电路

📅 01-01 查看 →
电子钟改进电路图电路图

电子钟改进电路图

📅 01-01 查看 →
利用场效应管驱动的定时电路图

利用场效应管驱动的定时

📅 01-01 查看 →
顺序定时电路电路图

顺序定时电路

📅 01-01 查看 →
周期工作的双定时器电路电路图

周期工作的双定时器电路

📅 01-01 查看 →
具有106固定预置时间的定电路图

具有106固定预置时间的定

📅 01-01 查看 →
晶体管延时电路电路电路图

晶体管延时电路电路

📅 01-01 查看 →
采用单稳态勉发器的定时电路图

采用单稳态勉发器的定时

📅 01-01 查看 →
采用天稳态触发器的周期电路图

采用天稳态触发器的周期

📅 01-01 查看 →
由SGZ35时间控制集成电路电路图

由SGZ35时间控制集成电路

📅 01-01 查看 →
RS6445C长时间定时集成电电路图

RS6445C长时间定时集成电

📅 01-01 查看 →
9时段l20秒倒计时音乐提电路图

9时段l20秒倒计时音乐提

📅 01-01 查看 →
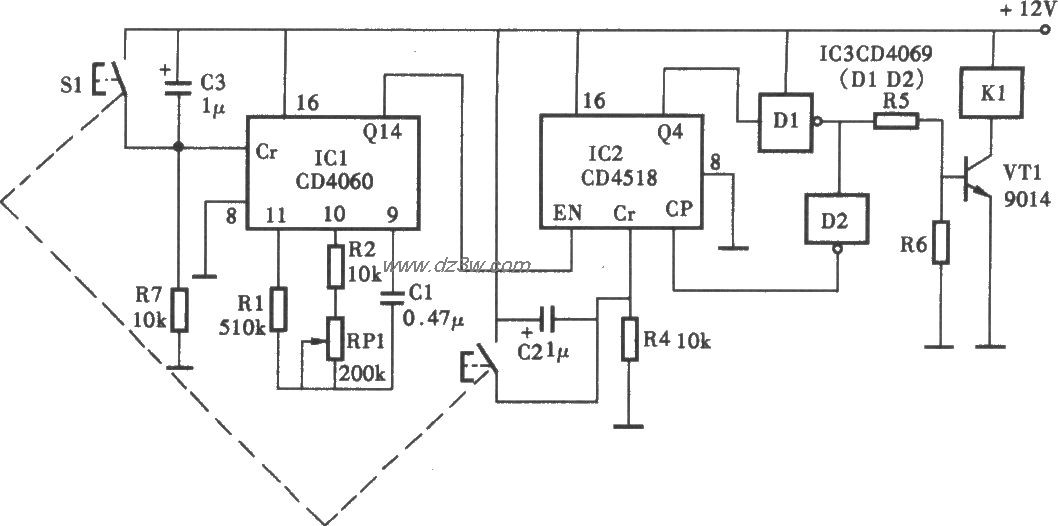
时间可调定时器电路电路图

时间可调定时器电路

📅 01-01 查看 →
钟控鱼缸自动充氧电路电路图

钟控鱼缸自动充氧电路

📅 01-01 查看 →
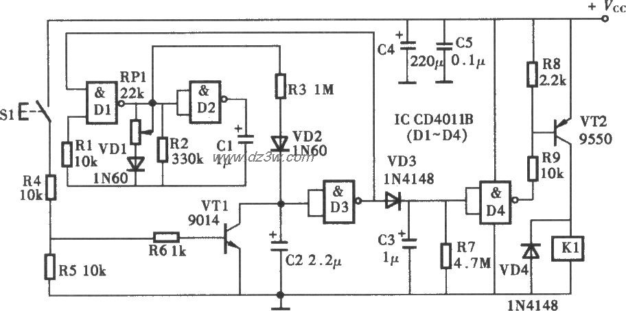
采用CD4011B的定时器电路电路图

采用CD4011B的定时器电路

📅 01-01 查看 →
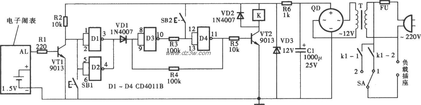
钟控家电定时器电路电路图

钟控家电定时器电路

📅 01-01 查看 →
鸡舍自动补光灯电路电路图

鸡舍自动补光灯电路

📅 01-01 查看 →
室内摄影补光灯电路电路图

室内摄影补光灯电路

📅 01-01 查看 →
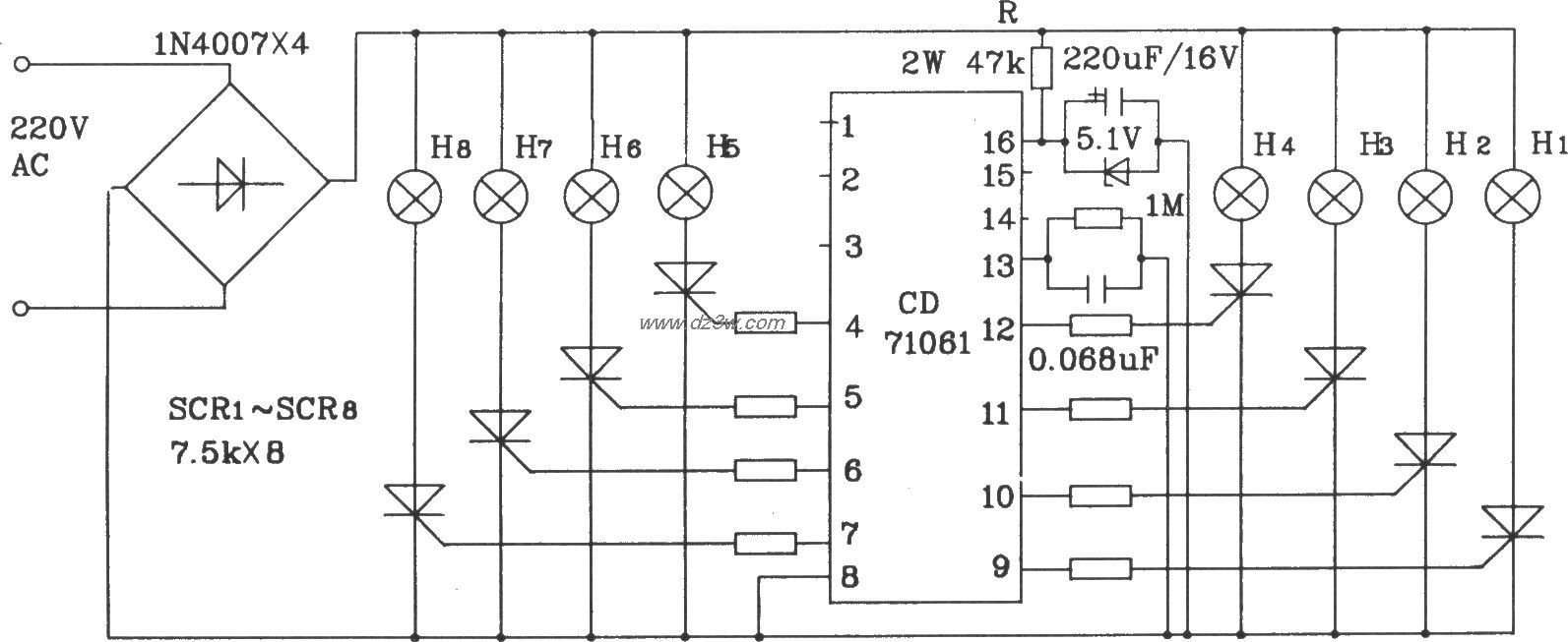
CD71061多功能程控闪光集电路图

CD71061多功能程控闪光集

📅 01-01 查看 →
晶闸管三色调光灯电路电路图

晶闸管三色调光灯电路

📅 01-01 查看 →
  • 首页
  • « 上一页
  • 1
  • 2
  • 3
  • 4
  • 5
  • 6
  • 7
  • 8
  • 9
  • 10
  • 下一页 »
  • 末页
🔐 用户登录
加载中...

加载登录表单中...

🎁 免费注册送10积分
加载中...

加载注册表单中...

🔑 找回密码
加载中...

加载表单中...

🔐 需要登录
🔒

登录后即可使用!

🎁 新用户注册立即送10积分
积分可用于下载资源,免费获取优质技术资料
🚪 退出登录
👋

确认要退出登录吗?

退出后需要重新登录才能下载资源

关于虫虫

虫虫下载站是专业的电子工程师资源分享平台,汇聚 622,478+ 优质资源,为工程师提供免费、专业的技术资料。

🌐

快速链接

  • 📦 资源下载
  • 📁 资源专辑
  • 📐 电路图库
  • 📚 电子书籍
  • 🧮 在线计算器

帮助中心

  • 📋 服务条款
  • ℹ️ 关于我们
  • ⚠️ 免责声明
  • 🗺️ 网站地图

联系我们

扫码关注我们

虫虫下载站二维码

虫虫小帮手

© 2011-2025 虫虫下载站 - 专业的电子工程师资源分享平台 | 让技术资源触手可及

京ICP备2021023401号-1