⭐ 欢迎来到虫虫下载站! | 📦 资源下载 📁 资源专辑 ℹ️ 关于我们
⭐ 虫虫下载站
🔐 登录 📝 注册
虫虫下载站
虫虫下载站
专业电子工程师资源平台
📤 上传资源
  • 🏠 首页
  • 📦 资源下载
  • 📁 资源专辑
  • 🔧 热门软件
  • ⭐ 精品资源
  • 🎓 基础知识
  • 📐 电路图
  • 📚 电子书
  • 🔢 在线计算器
  • 🔍 代码搜索
🏠 首页 › 📐 电路图 › 其他电路

📐 其他电路

📊 共 894 个电路图 🎨 设计参考
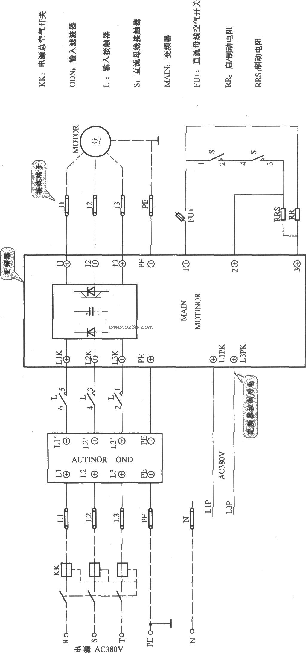
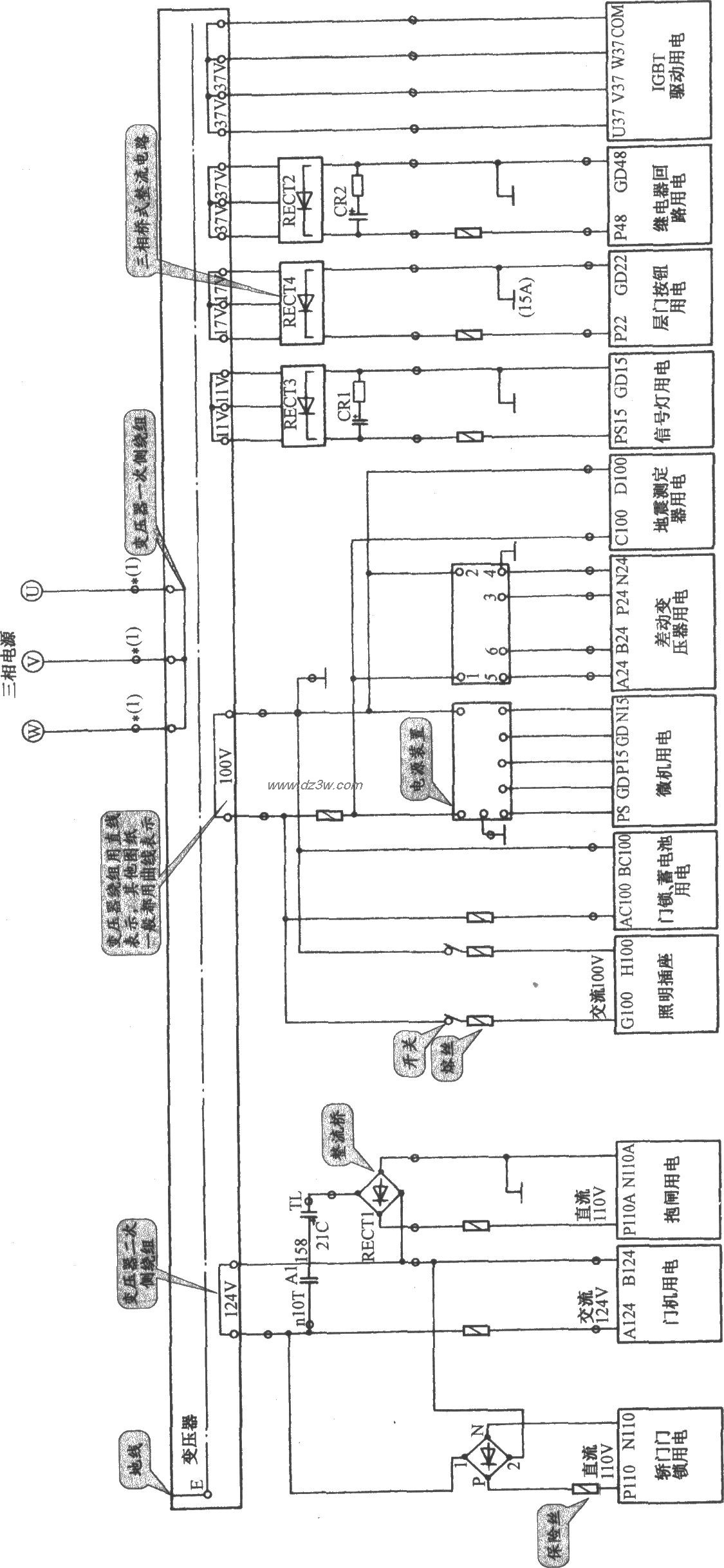
日立VFMG电梯控制电源电电路图

日立VFMG电梯控制电源电

📅 01-01 查看 →
JKH1-771A电梯主电路电路图

JKH1-771A电梯主电路

📅 01-01 查看 →
JHo-751半自动货梯控制柜电路图

JHo-751半自动货梯控制柜

📅 01-01 查看 →
JKH1-771A电梯按钮电路电路图

JKH1-771A电梯按钮电路

📅 01-01 查看 →
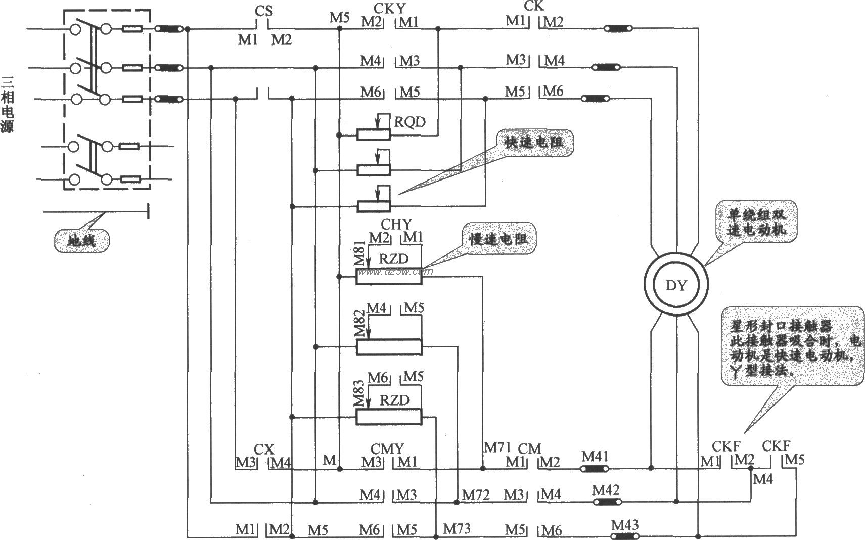
天津正大电梯控制柜电路电路图

天津正大电梯控制柜电路

📅 01-01 查看 →
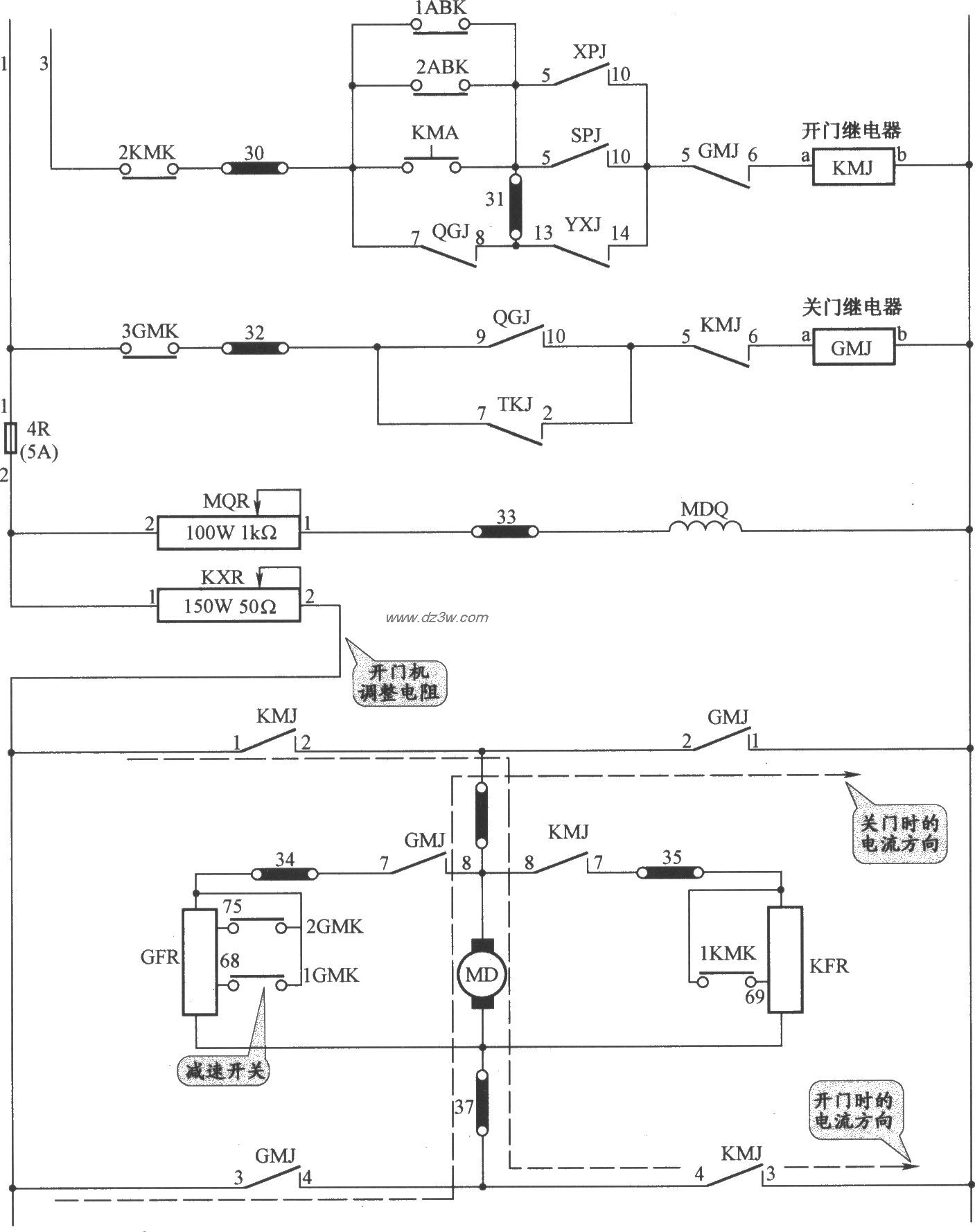
JKH1-771A电梯开门机电路电路图

JKH1-771A电梯开门机电路

📅 01-01 查看 →
JKH1-771A电梯控制柜电路图

JKH1-771A电梯控制柜

📅 01-01 查看 →
北京富而瑞电梯控制柜电路图

北京富而瑞电梯控制柜

📅 01-01 查看 →
液晶显示电子温度表电路电路图

液晶显示电子温度表电路

📅 01-01 查看 →
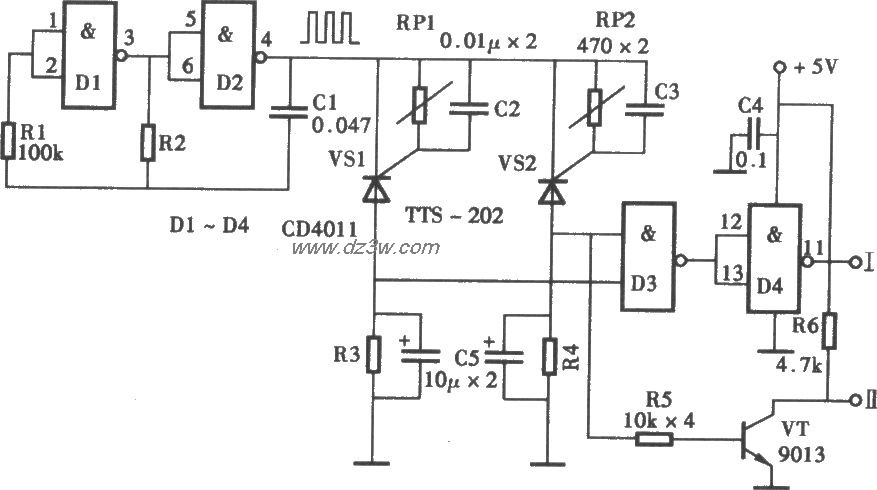
一种温度/频率-音频译码电路图

一种温度/频率-音频译码

📅 01-01 查看 →
采用双向触发管的串励电电路图

采用双向触发管的串励电

📅 01-01 查看 →
最简单的豆流电动机调速电路图

最简单的豆流电动机调速

📅 01-01 查看 →
申励电动机的半波调速电电路图

申励电动机的半波调速电

📅 01-01 查看 →
高湿度暖房玻璃防结露自电路图

高湿度暖房玻璃防结露自

📅 01-01 查看 →
蔬菜大棚湿度检测、自动电路图

蔬菜大棚湿度检测、自动

📅 01-01 查看 →
简易温控电路电路图

简易温控电路

📅 01-01 查看 →
可任意设定温控范围的温电路图

可任意设定温控范围的温

📅 01-01 查看 →
实用温控器电路电路图

实用温控器电路

📅 01-01 查看 →
由LM35DZ摄氏温度传感器电路图

由LM35DZ摄氏温度传感器

📅 01-01 查看 →
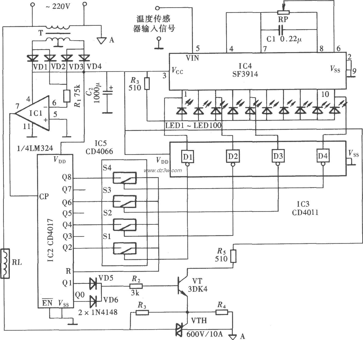
自动调功式温控器(SF391电路图

自动调功式温控器(SF391

📅 01-01 查看 →
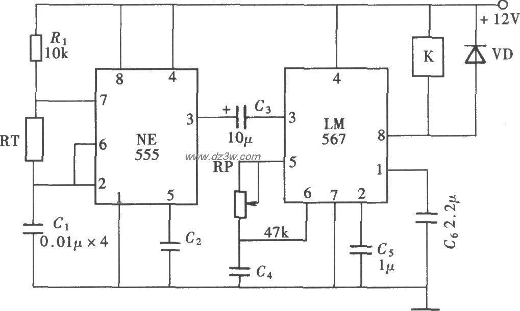
由NE555、LM567组成的温电路图

由NE555、LM567组成的温

📅 01-01 查看 →
燃气热水器光耦合自控排电路图

燃气热水器光耦合自控排

📅 01-01 查看 →
小型无触点恒温箱电路电路图

小型无触点恒温箱电路

📅 01-01 查看 →
液体液面和温度监控电路电路图

液体液面和温度监控电路

📅 01-01 查看 →
液体用电子恒温箱电路电路图

液体用电子恒温箱电路

📅 01-01 查看 →
流动速度指示器电路电路图

流动速度指示器电路

📅 01-01 查看 →
数字显示温度计电路电路图

数字显示温度计电路

📅 01-01 查看 →
由Y982模块构成的电热毯电路图

由Y982模块构成的电热毯

📅 01-01 查看 →
成熟低成本的均流电路电路图

成熟低成本的均流电路

📅 01-01 查看 →
线路电流限定器电路图

线路电流限定器

📅 01-01 查看 →
  • 首页
  • « 上一页
  • 1
  • 2
  • 3
  • 4
  • 5
  • 6
  • 7
  • 8
  • 9
  • 10
  • 下一页 »
  • 末页
🔐 用户登录
加载中...

加载登录表单中...

🎁 免费注册送10积分
加载中...

加载注册表单中...

🔑 找回密码
加载中...

加载表单中...

🔐 需要登录
🔒

登录后即可使用!

🎁 新用户注册立即送10积分
积分可用于下载资源,免费获取优质技术资料
🚪 退出登录
👋

确认要退出登录吗?

退出后需要重新登录才能下载资源

关于虫虫

虫虫下载站是专业的电子工程师资源分享平台,汇聚 622,478+ 优质资源,为工程师提供免费、专业的技术资料。

🌐

快速链接

  • 📦 资源下载
  • 📁 资源专辑
  • 📐 电路图库
  • 📚 电子书籍
  • 🧮 在线计算器

帮助中心

  • 📋 服务条款
  • ℹ️ 关于我们
  • ⚠️ 免责声明
  • 🗺️ 网站地图

联系我们

扫码关注我们

虫虫下载站二维码

虫虫小帮手

© 2011-2025 虫虫下载站 - 专业的电子工程师资源分享平台 | 让技术资源触手可及

京ICP备2021023401号-1