⭐ 欢迎来到虫虫下载站! | 📦 资源下载 📁 资源专辑 ℹ️ 关于我们
⭐ 虫虫下载站
🔐 登录 📝 注册
虫虫下载站
虫虫下载站
专业电子工程师资源平台
📤 上传资源
  • 🏠 首页
  • 📦 资源下载
  • 📁 资源专辑
  • 🔧 热门软件
  • ⭐ 精品资源
  • 🎓 基础知识
  • 📐 电路图
  • 📚 电子书
  • 🔢 在线计算器
  • 🔍 代码搜索
🏠 首页 › 📐 电路图 › 555电路

📐 555电路

📊 共 2241 个电路图 🎨 设计参考
555构成的室内湿度控制电电路图

555构成的室内湿度控制电

📅 01-01 查看 →
555构成的水位自动控制电电路图

555构成的水位自动控制电

📅 01-01 查看 →
555构成的豆芽自动浇水控电路图

555构成的豆芽自动浇水控

📅 01-01 查看 →
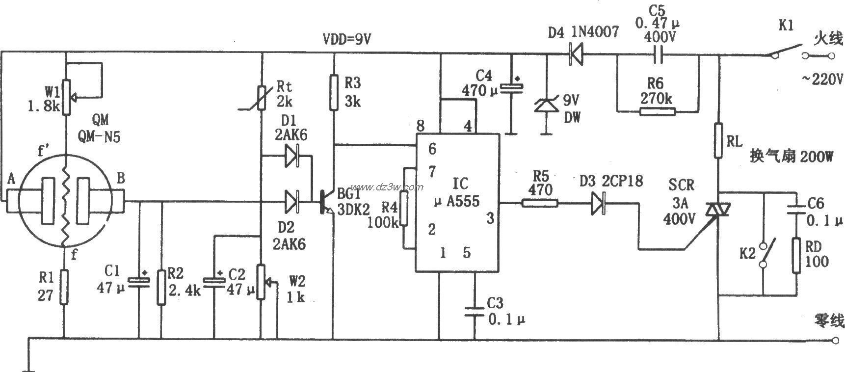
μA555构成的换气扇的自电路图

μA555构成的换气扇的自

📅 01-01 查看 →
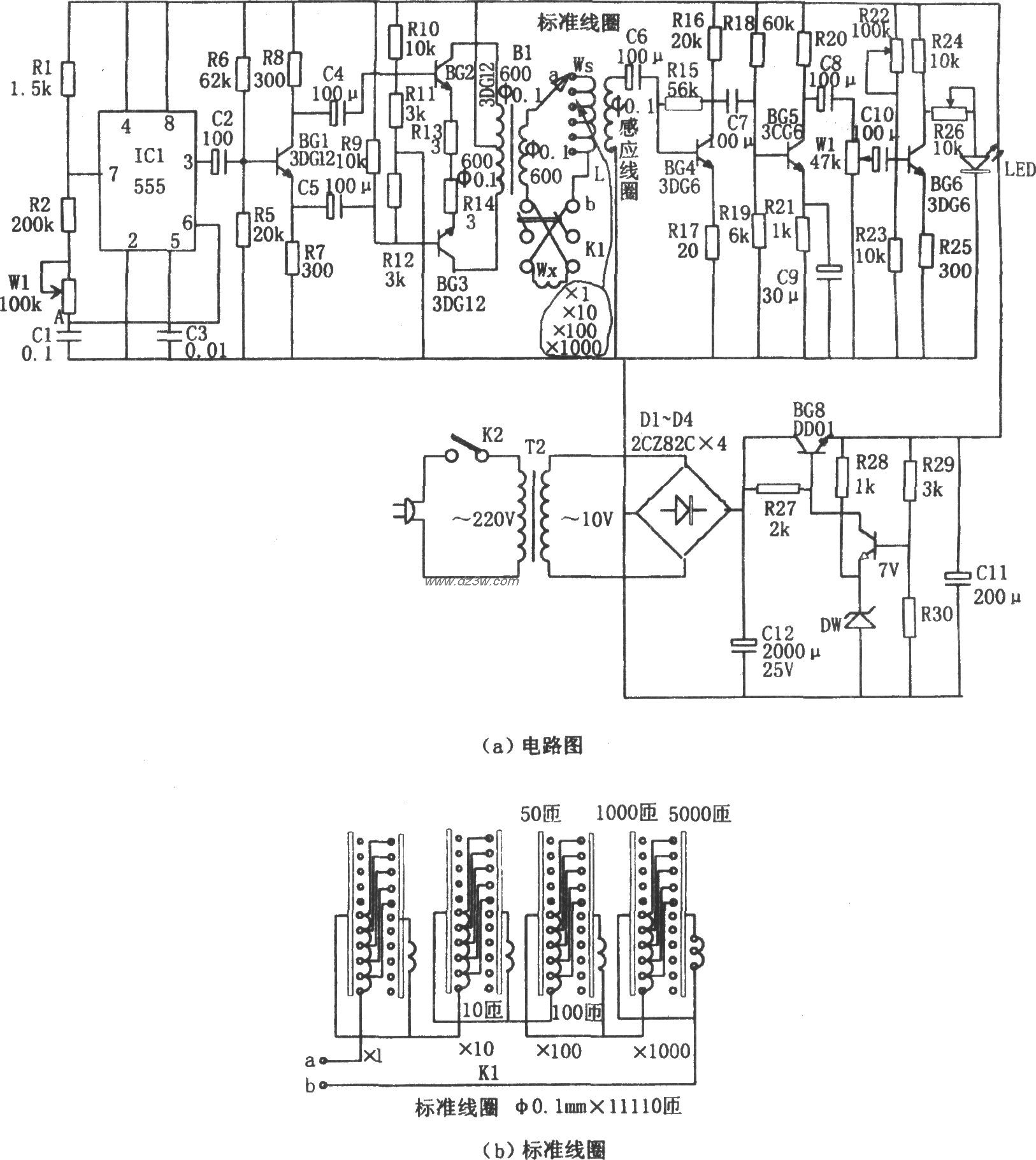
555构成的简易线圈匝数测电路图

555构成的简易线圈匝数测

📅 01-01 查看 →
555构成的可控硅快速测试电路图

555构成的可控硅快速测试

📅 01-01 查看 →
555构成的光照度测试仪电电路图

555构成的光照度测试仪电

📅 01-01 查看 →
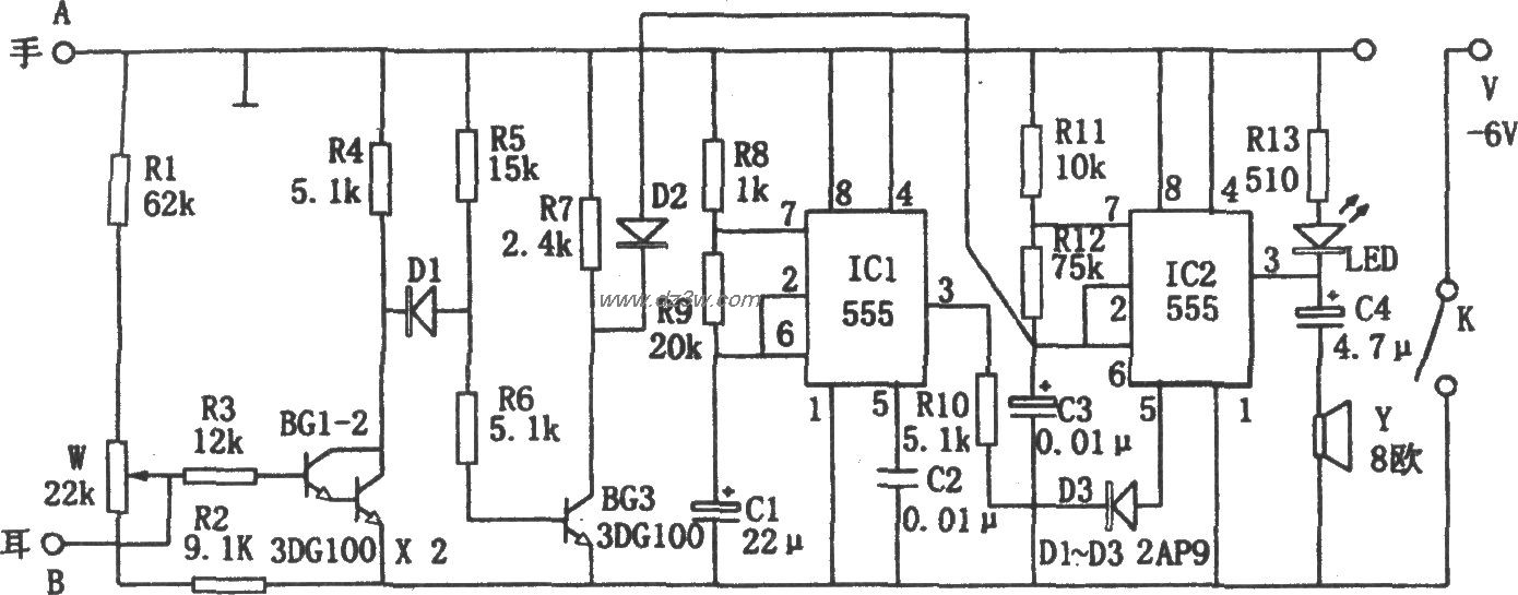
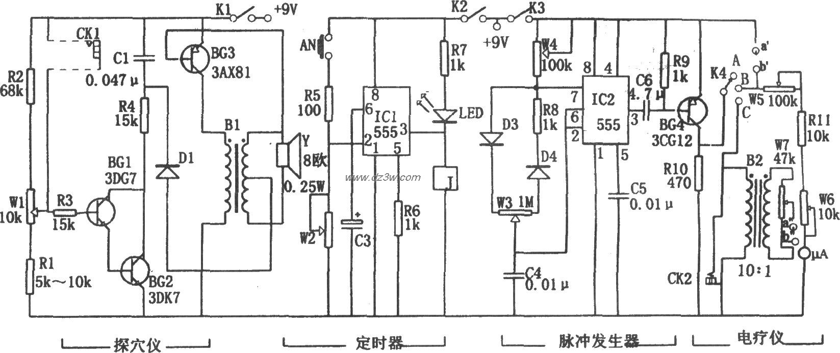
555构成的多功能电子探穴电路图

555构成的多功能电子探穴

📅 01-01 查看 →
555构成的穴位探测仪电路电路图

555构成的穴位探测仪电路

📅 01-01 查看 →
NE555构成的具有时间识别电路图

NE555构成的具有时间识别

📅 01-01 查看 →
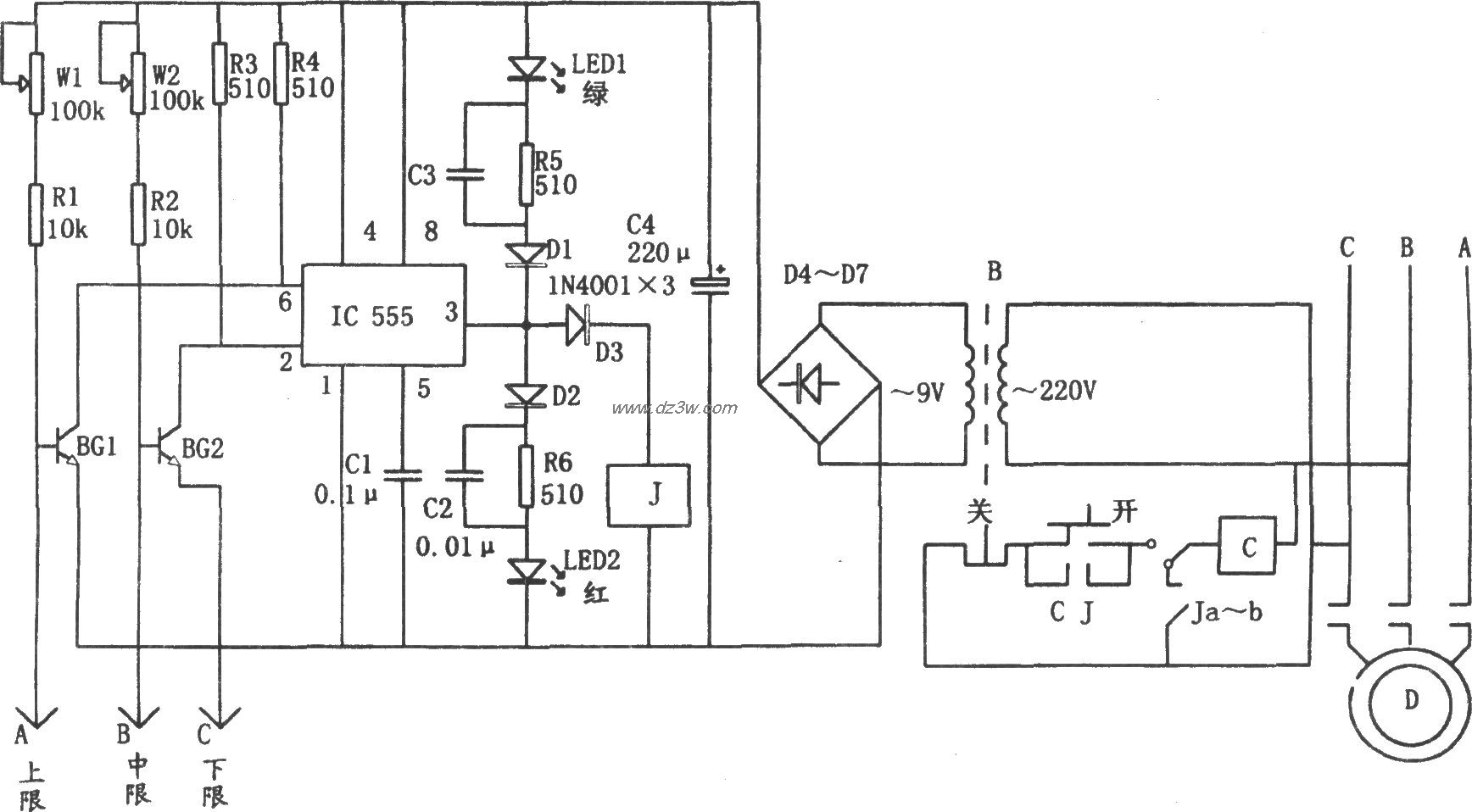
555构成的液位监控报警电电路图

555构成的液位监控报警电

📅 01-01 查看 →
555构成的晶体管特性曲线电路图

555构成的晶体管特性曲线

📅 01-01 查看 →
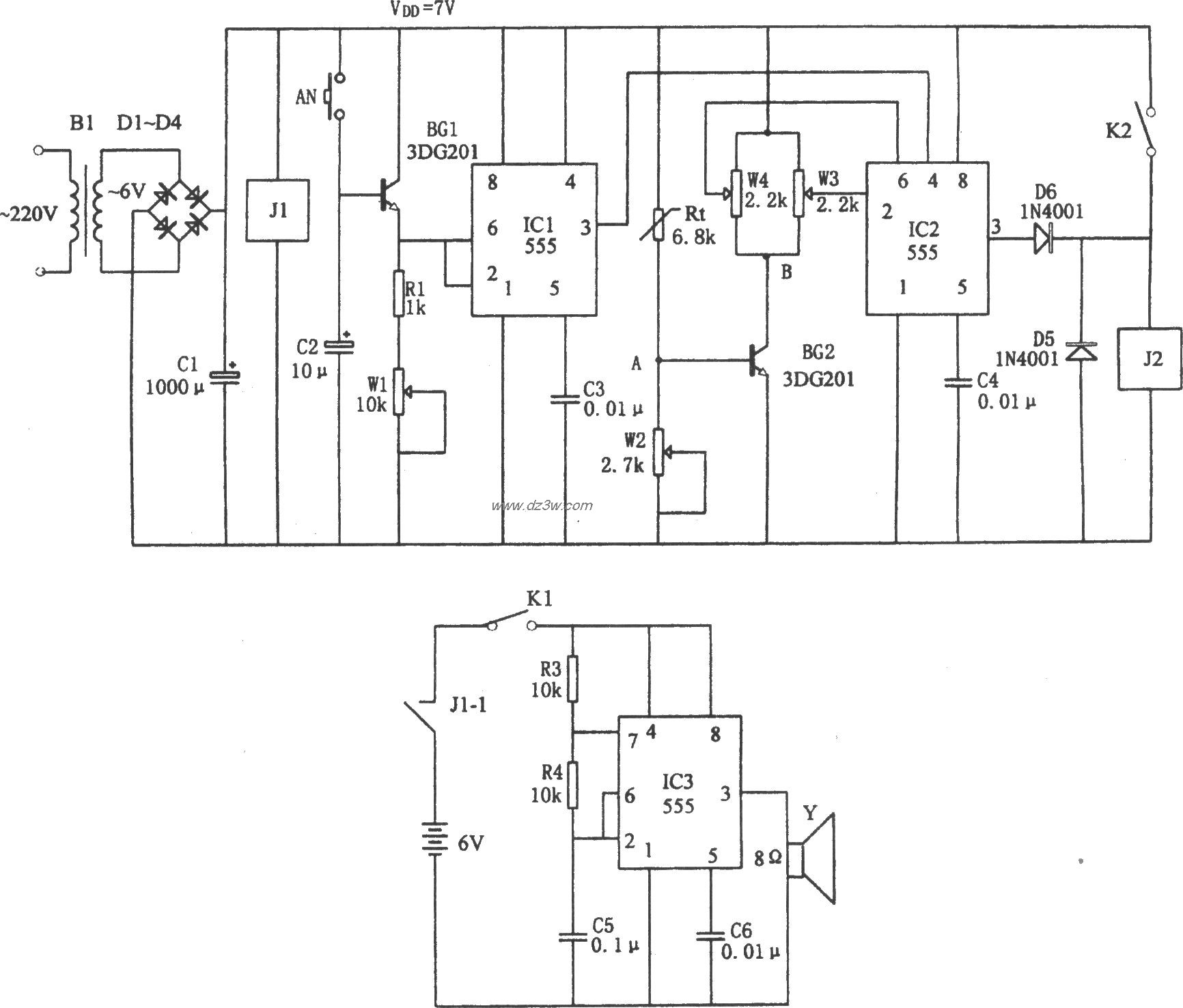
555构成的汽车防盗报警电电路图

555构成的汽车防盗报警电

📅 01-01 查看 →
555构成的三轮车转向讯响电路图

555构成的三轮车转向讯响

📅 01-01 查看 →
555构成的提升机故障报警电路图

555构成的提升机故障报警

📅 01-01 查看 →
555构成的交流稳压器延时电路图

555构成的交流稳压器延时

📅 01-01 查看 →
555构成的电机综合保护报电路图

555构成的电机综合保护报

📅 01-01 查看 →
NE555构成的断路、短路多电路图

NE555构成的断路、短路多

📅 01-01 查看 →
555构成的电源电压高、低电路图

555构成的电源电压高、低

📅 01-01 查看 →
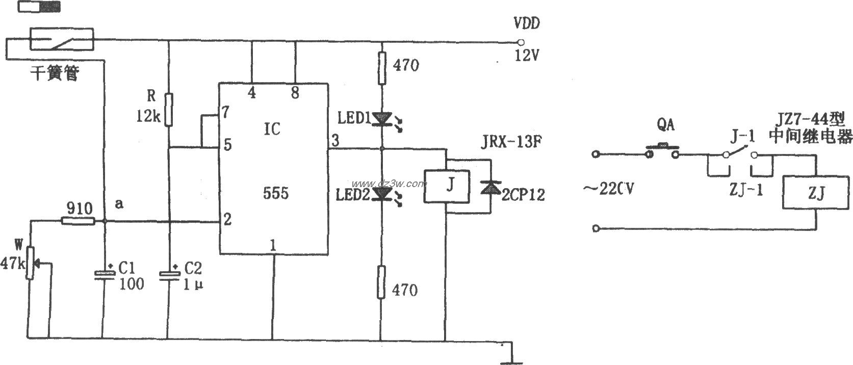
555芯片组成的单键继电器电路图

555芯片组成的单键继电器

📅 01-01 查看 →
555芯片组成无反弹电子开电路图

555芯片组成无反弹电子开

📅 01-01 查看 →
555可调节的对称三角波发电路图

555可调节的对称三角波发

📅 01-01 查看 →
555正弦波发生器电路图电路图

555正弦波发生器电路图

📅 01-01 查看 →
555三个元器件组成的方波电路图

555三个元器件组成的方波

📅 01-01 查看 →
555两路输出负向定时脉冲电路图

555两路输出负向定时脉冲

📅 01-01 查看 →
555三角波、方波产生器电电路图

555三角波、方波产生器电

📅 01-01 查看 →
555零对称双向脉冲波发生电路图

555零对称双向脉冲波发生

📅 01-01 查看 →
555频率和脉宽可变的波形电路图

555频率和脉宽可变的波形

📅 01-01 查看 →
555闸门脉冲发生器电路图电路图

555闸门脉冲发生器电路图

📅 01-01 查看 →
555窄脉冲发生器电路图电路图

555窄脉冲发生器电路图

📅 01-01 查看 →
  • 首页
  • « 上一页
  • 1
  • 2
  • 3
  • 4
  • 5
  • 6
  • 7
  • 8
  • 9
  • 10
  • 下一页 »
  • 末页
🔐 用户登录
加载中...

加载登录表单中...

🎁 免费注册送10积分
加载中...

加载注册表单中...

🔑 找回密码
加载中...

加载表单中...

🔐 需要登录
🔒

登录后即可使用!

🎁 新用户注册立即送10积分
积分可用于下载资源,免费获取优质技术资料
🚪 退出登录
👋

确认要退出登录吗?

退出后需要重新登录才能下载资源

关于虫虫

虫虫下载站是专业的电子工程师资源分享平台,汇聚 622,478+ 优质资源,为工程师提供免费、专业的技术资料。

🌐

快速链接

  • 📦 资源下载
  • 📁 资源专辑
  • 📐 电路图库
  • 📚 电子书籍
  • 🧮 在线计算器

帮助中心

  • 📋 服务条款
  • ℹ️ 关于我们
  • ⚠️ 免责声明
  • 🗺️ 网站地图

联系我们

扫码关注我们

虫虫下载站二维码

虫虫小帮手

© 2011-2025 虫虫下载站 - 专业的电子工程师资源分享平台 | 让技术资源触手可及

京ICP备2021023401号-1