⭐ 欢迎来到虫虫下载站! | 📦 资源下载 📁 资源专辑 ℹ️ 关于我们
⭐ 虫虫下载站
🔐 登录 📝 注册
虫虫下载站
虫虫下载站
专业电子工程师资源平台
📤 上传资源
  • 🏠 首页
  • 📦 资源下载
  • 📁 资源专辑
  • 🔧 热门软件
  • ⭐ 精品资源
  • 🎓 基础知识
  • 📐 电路图
  • 📚 电子书
  • 🔢 在线计算器
  • 🔍 代码搜索
🏠 首页 › 📐 电路图 › 音响功放

📐 音响功放

📊 共 919 个电路图 🎨 设计参考
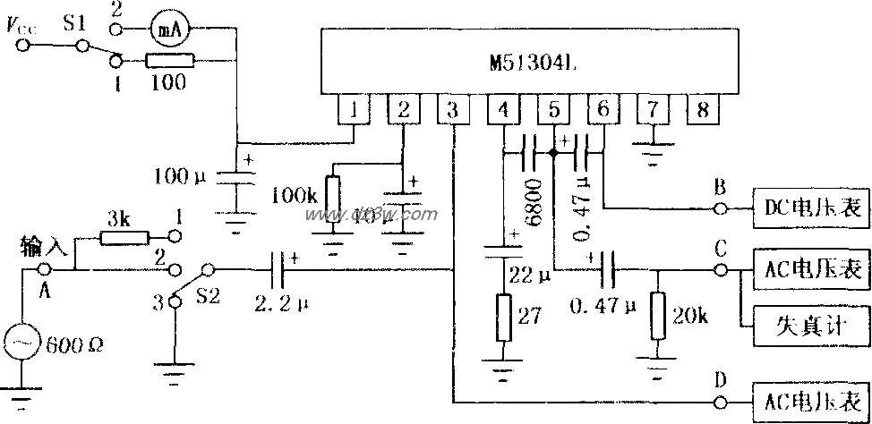
M51304L话筒放大电路电路图

M51304L话筒放大电路

📅 01-01 查看 →
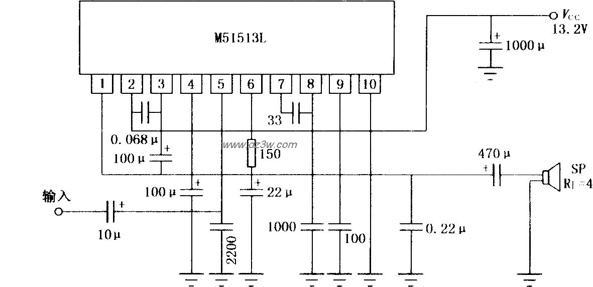
M51513L 5.8W音频功率放电路图

M51513L 5.8W音频功率放

📅 01-01 查看 →
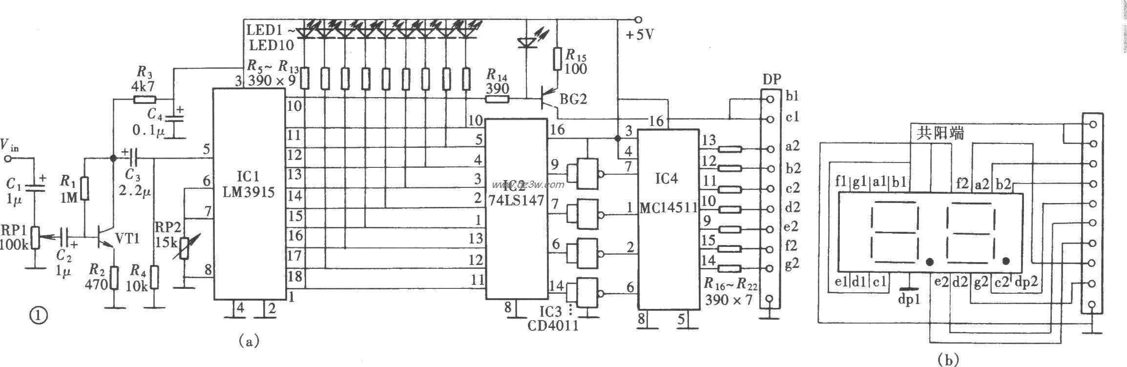
音响电平LED与数码双显示电路图

音响电平LED与数码双显示

📅 01-01 查看 →
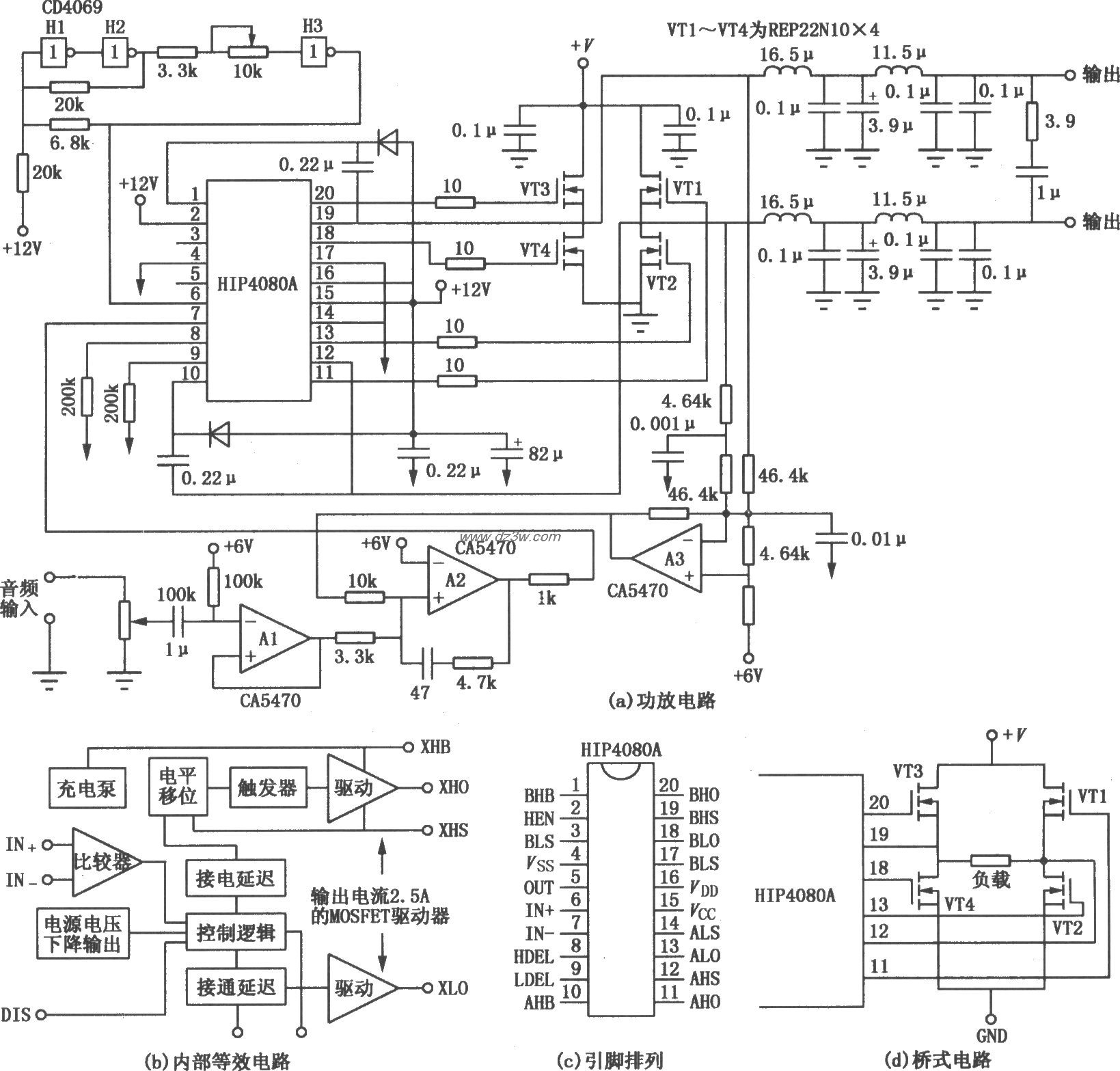
用HIP4080A构成的功放电电路图

用HIP4080A构成的功放电

📅 01-01 查看 →
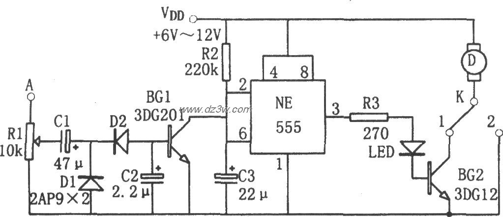
保持录音连续的声控电路电路图

保持录音连续的声控电路

📅 01-01 查看 →
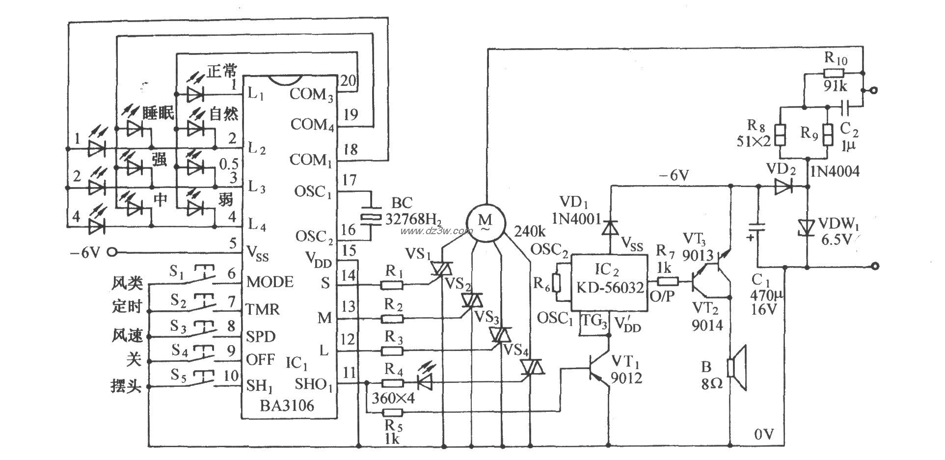
用BA3106的多功能电风扇电路图

用BA3106的多功能电风扇

📅 01-01 查看 →
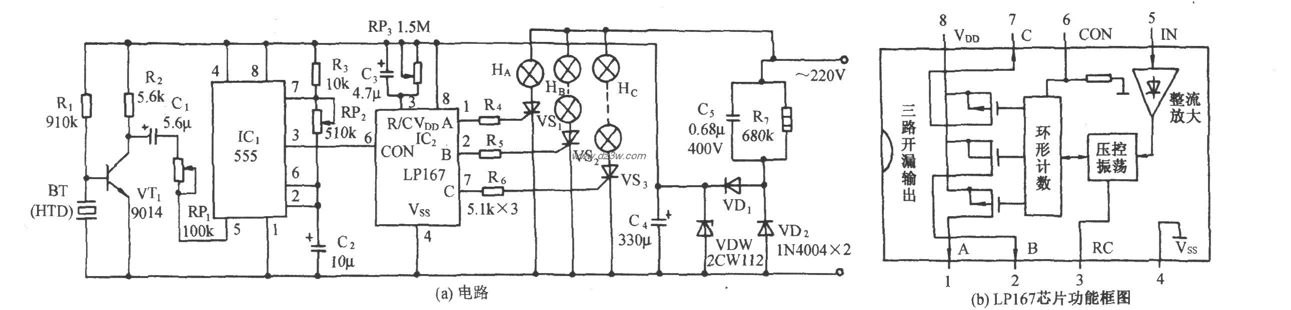
LPl67音频压控家庭卡拉0电路图

LPl67音频压控家庭卡拉0

📅 01-01 查看 →
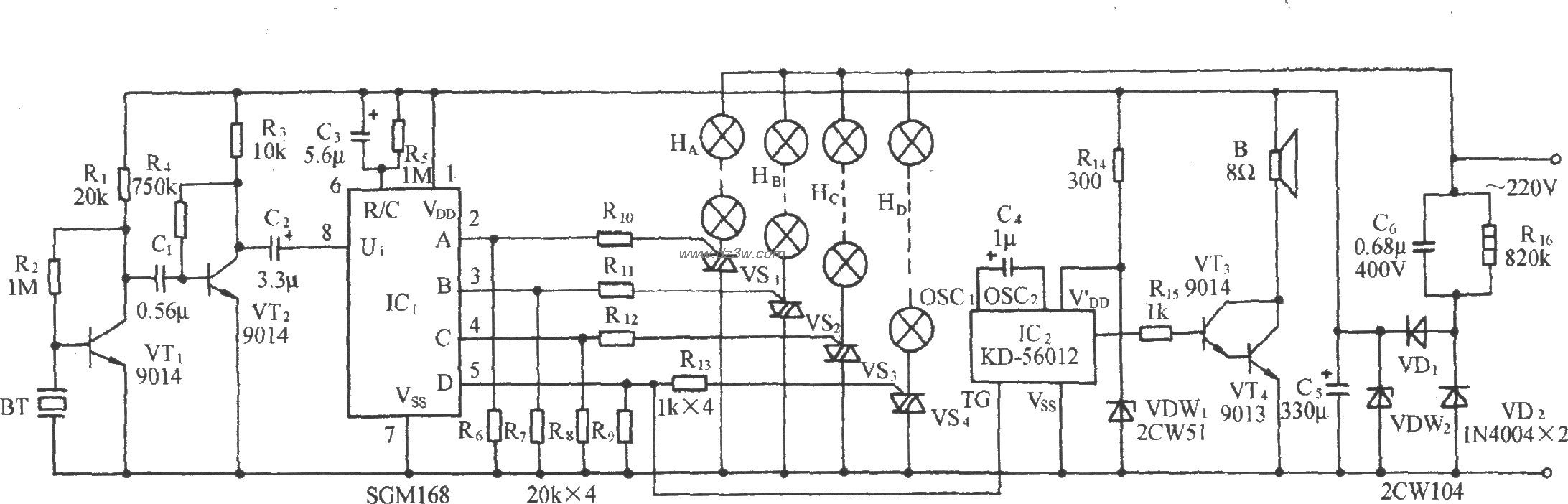
5GM168音频压控式歌舞厅电路图

5GM168音频压控式歌舞厅

📅 01-01 查看 →
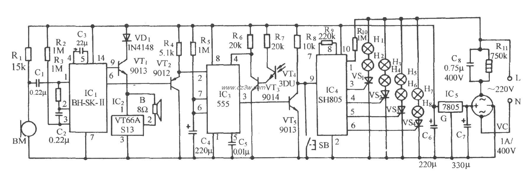
采用SH805的声光双控彩灯电路图

采用SH805的声光双控彩灯

📅 01-01 查看 →
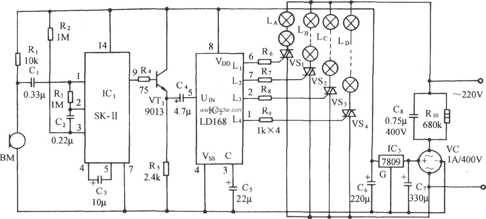
LD168音频压控卡拉0K彩灯电路图

LD168音频压控卡拉0K彩灯

📅 01-01 查看 →
HFC68音响彩灯控制集成电电路图

HFC68音响彩灯控制集成电

📅 01-01 查看 →
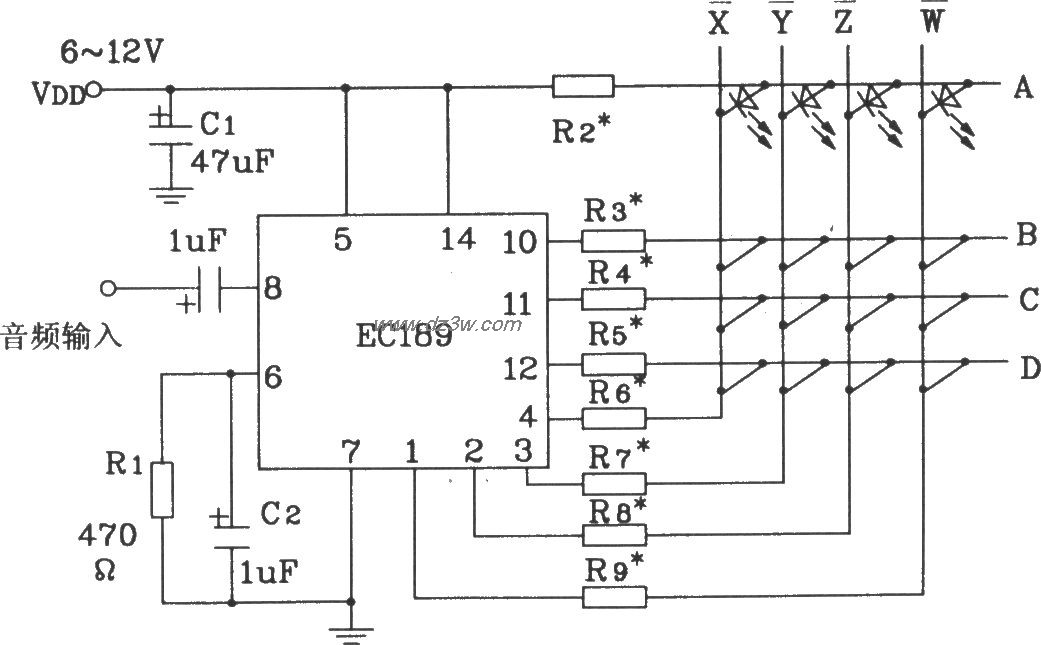
音响彩灯控制集成电路EC电路图

音响彩灯控制集成电路EC

📅 01-01 查看 →
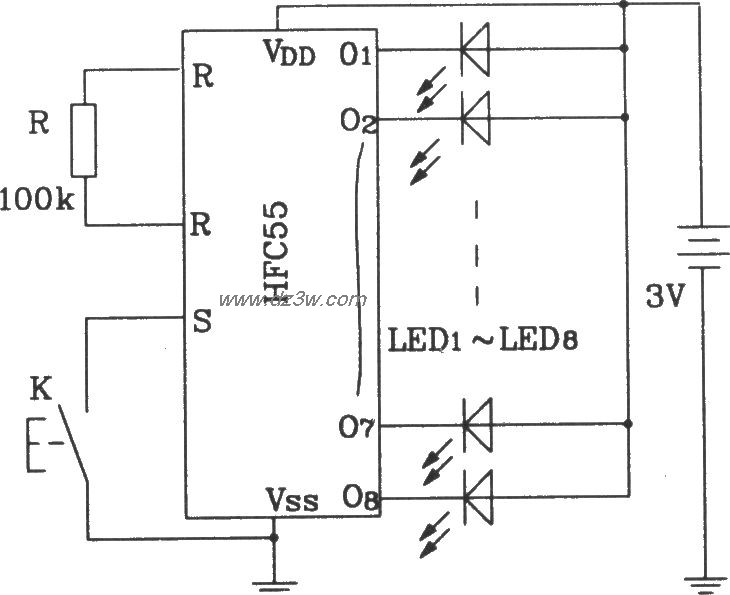
HFC55音响彩灯控制集成电电路图

HFC55音响彩灯控制集成电

📅 01-01 查看 →
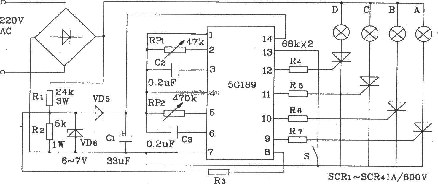
5G169音响彩灯控制集成电电路图

5G169音响彩灯控制集成电

📅 01-01 查看 →
音响同步彩灯控制集成电电路图

音响同步彩灯控制集成电

📅 01-01 查看 →
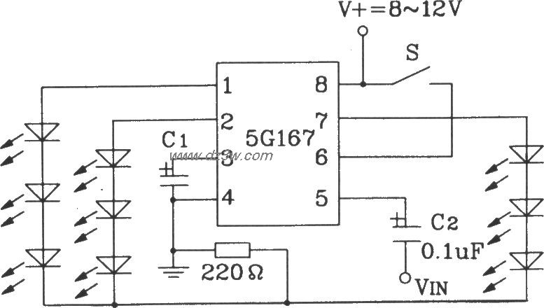
5G167音响同步彩灯控制集电路图

5G167音响同步彩灯控制集

📅 01-01 查看 →
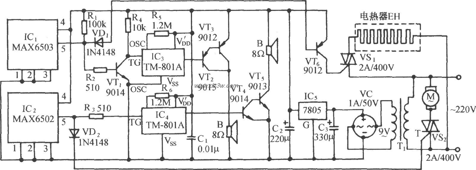
上、下限温度控制伴音响电路图

上、下限温度控制伴音响

📅 01-01 查看 →
用可控硅组成的音源切换电路图

用可控硅组成的音源切换

📅 01-01 查看 →
高低音两路控制音调调节电路图

高低音两路控制音调调节

📅 01-01 查看 →
有源二分频功放电路图电路图

有源二分频功放电路图

📅 01-01 查看 →
300V/US超高速音频功放电电路图

300V/US超高速音频功放电

📅 01-01 查看 →
一款成熟的适合自制的前电路图

一款成熟的适合自制的前

📅 01-01 查看 →
纯直流场效应管功放电路电路图

纯直流场效应管功放电路

📅 01-01 查看 →
场效应管功率放大器电路电路图

场效应管功率放大器电路

📅 01-01 查看 →
全对称MOSFET OCL功率放电路图

全对称MOSFET OCL功率放

📅 01-01 查看 →
几款超重低音音响电路图电路图

几款超重低音音响电路图

📅 01-01 查看 →
晶体管音频放大电路图电路图

晶体管音频放大电路图

📅 01-01 查看 →
LM12大功率放功放电路图电路图

LM12大功率放功放电路图

📅 01-01 查看 →
TDA1521组成的高保真随身电路图

TDA1521组成的高保真随身

📅 01-01 查看 →
低成本小型组合音响功放电路图

低成本小型组合音响功放

📅 01-01 查看 →
  • 首页
  • « 上一页
  • 1
  • 2
  • 3
  • 4
  • 5
  • 6
  • 7
  • 8
  • 9
  • 10
  • 下一页 »
  • 末页
🔐 用户登录
加载中...

加载登录表单中...

🎁 免费注册送10积分
加载中...

加载注册表单中...

🔑 找回密码
加载中...

加载表单中...

🔐 需要登录
🔒

登录后即可使用!

🎁 新用户注册立即送10积分
积分可用于下载资源,免费获取优质技术资料
🚪 退出登录
👋

确认要退出登录吗?

退出后需要重新登录才能下载资源

关于虫虫

虫虫下载站是专业的电子工程师资源分享平台,汇聚 622,478+ 优质资源,为工程师提供免费、专业的技术资料。

🌐

快速链接

  • 📦 资源下载
  • 📁 资源专辑
  • 📐 电路图库
  • 📚 电子书籍
  • 🧮 在线计算器

帮助中心

  • 📋 服务条款
  • ℹ️ 关于我们
  • ⚠️ 免责声明
  • 🗺️ 网站地图

联系我们

扫码关注我们

虫虫下载站二维码

虫虫小帮手

© 2011-2025 虫虫下载站 - 专业的电子工程师资源分享平台 | 让技术资源触手可及

京ICP备2021023401号-1