⭐ 欢迎来到虫虫下载站! | 📦 资源下载 📁 资源专辑 ℹ️ 关于我们
⭐ 虫虫下载站
🔐 登录 📝 注册
虫虫下载站
虫虫下载站
专业电子工程师资源平台
📤 上传资源
  • 🏠 首页
  • 📦 资源下载
  • 📁 资源专辑
  • 🔧 热门软件
  • ⭐ 精品资源
  • 🎓 基础知识
  • 📐 电路图
  • 📚 电子书
  • 🔢 在线计算器
  • 🔍 代码搜索
🏠 首页 › 📐 电路图 › 信号发生

📐 信号发生

📊 共 753 个电路图 🎨 设计参考
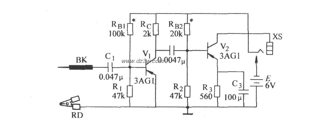
信号寻迹器电路电路图

信号寻迹器电路

📅 01-01 查看 →
TTL电路构成的时钟信号电电路图

TTL电路构成的时钟信号电

📅 01-01 查看 →
逻辑信号的长延时电路电路图

逻辑信号的长延时电路

📅 01-01 查看 →
三角波转换成正弦波宽带电路图

三角波转换成正弦波宽带

📅 01-01 查看 →
运放组成的三角波发生器电路图

运放组成的三角波发生器

📅 01-01 查看 →
三角波发生器电路原理图电路图

三角波发生器电路原理图

📅 01-01 查看 →
锯齿波发生器电路图电路图

锯齿波发生器电路图

📅 01-01 查看 →
强流脉冲发生器技术特点电路图

强流脉冲发生器技术特点

📅 01-01 查看 →
强流脉冲发生器技术特点电路图

强流脉冲发生器技术特点

📅 01-01 查看 →
脉冲发生器电路及工作原电路图

脉冲发生器电路及工作原

📅 01-01 查看 →
彩色显示器信号发生器电电路图

彩色显示器信号发生器电

📅 01-01 查看 →
文氏电桥振荡电路及工作电路图

文氏电桥振荡电路及工作

📅 01-01 查看 →
正交振荡器电路及原理电路图

正交振荡器电路及原理

📅 01-01 查看 →
音叉谐振器电路及工作原电路图

音叉谐振器电路及工作原

📅 01-01 查看 →
压电音叉谐振器电路图电路图

压电音叉谐振器电路图

📅 01-01 查看 →
AVR单片机晶振电路设计电路图

AVR单片机晶振电路设计

📅 01-01 查看 →
隧道二极管组成负阻振荡电路图

隧道二极管组成负阻振荡

📅 01-01 查看 →
由分立元件组成的常用信电路图

由分立元件组成的常用信

📅 01-01 查看 →
矩形脉冲发生器电路设计电路图

矩形脉冲发生器电路设计

📅 01-01 查看 →
方波发生器电路及工作原电路图

方波发生器电路及工作原

📅 01-01 查看 →
TL082组成的正弦波发生器电路图

TL082组成的正弦波发生器

📅 01-01 查看 →
串联型晶体振荡器电路图电路图

串联型晶体振荡器电路图

📅 01-01 查看 →
实用LC振荡器电路图电路图

实用LC振荡器电路图

📅 01-01 查看 →
串联型晶体振荡器电路原电路图

串联型晶体振荡器电路原

📅 01-01 查看 →
泛音晶体振荡器电路电路图

泛音晶体振荡器电路

📅 01-01 查看 →
实用四电极晶体振荡器电电路图

实用四电极晶体振荡器电

📅 01-01 查看 →
反相器74HC04组成的150M电路图

反相器74HC04组成的150M

📅 01-01 查看 →
正弦波转锯齿波及方波电电路图

正弦波转锯齿波及方波电

📅 01-01 查看 →
简易音频信号发生器电路电路图

简易音频信号发生器电路

📅 01-01 查看 →
LC7650秒基准信号产生电电路图

LC7650秒基准信号产生电

📅 01-01 查看 →
  • 首页
  • « 上一页
  • 1
  • 2
  • 3
  • 4
  • 5
  • 6
  • 7
  • 8
  • 9
  • 10
  • 下一页 »
  • 末页
🔐 用户登录
加载中...

加载登录表单中...

🎁 免费注册送10积分
加载中...

加载注册表单中...

🔑 找回密码
加载中...

加载表单中...

🔐 需要登录
🔒

登录后即可使用!

🎁 新用户注册立即送10积分
积分可用于下载资源,免费获取优质技术资料
🚪 退出登录
👋

确认要退出登录吗?

退出后需要重新登录才能下载资源

关于虫虫

虫虫下载站是专业的电子工程师资源分享平台,汇聚 622,478+ 优质资源,为工程师提供免费、专业的技术资料。

🌐

快速链接

  • 📦 资源下载
  • 📁 资源专辑
  • 📐 电路图库
  • 📚 电子书籍
  • 🧮 在线计算器

帮助中心

  • 📋 服务条款
  • ℹ️ 关于我们
  • ⚠️ 免责声明
  • 🗺️ 网站地图

联系我们

扫码关注我们

虫虫下载站二维码

虫虫小帮手

© 2011-2025 虫虫下载站 - 专业的电子工程师资源分享平台 | 让技术资源触手可及

京ICP备2021023401号-1