⭐ 欢迎来到虫虫下载站! | 📦 资源下载 📁 资源专辑 ℹ️ 关于我们
⭐ 虫虫下载站
🔐 登录 📝 注册
虫虫下载站
虫虫下载站
专业电子工程师资源平台
📤 上传资源
  • 🏠 首页
  • 📦 资源下载
  • 📁 资源专辑
  • 🔧 热门软件
  • ⭐ 精品资源
  • 🎓 基础知识
  • 📐 电路图
  • 📚 电子书
  • 🔢 在线计算器
  • 🔍 代码搜索
🏠 首页 › 📐 电路图 › 信号发生

📐 信号发生

📊 共 753 个电路图 🎨 设计参考
LM111组成的压控振荡器电电路图

LM111组成的压控振荡器电

📅 01-01 查看 →
单结晶体管组成的弛张振电路图

单结晶体管组成的弛张振

📅 01-01 查看 →
CD4046组成的锁相环倍频电路图

CD4046组成的锁相环倍频

📅 01-01 查看 →
超低频锯齿波发生器电路电路图

超低频锯齿波发生器电路

📅 01-01 查看 →
高稳定的正弦波输出电路电路图

高稳定的正弦波输出电路

📅 01-01 查看 →
波尔斯C-B石英晶体振荡电电路图

波尔斯C-B石英晶体振荡电

📅 01-01 查看 →
用555制作的V/T(电压/时电路图

用555制作的V/T(电压/时

📅 01-01 查看 →
低失真总线控制的正弦波电路图

低失真总线控制的正弦波

📅 01-01 查看 →
高精度50Hz时基电路及制电路图

高精度50Hz时基电路及制

📅 01-01 查看 →
CD4013及非门组成的二倍电路图

CD4013及非门组成的二倍

📅 01-01 查看 →
CD4046与CD4518组成的10电路图

CD4046与CD4518组成的10

📅 01-01 查看 →
用门电路与晶体组成的高电路图

用门电路与晶体组成的高

📅 01-01 查看 →
555芯片组成的振荡器电路电路图

555芯片组成的振荡器电路

📅 01-01 查看 →
74HC00组成的方波振荡器电路图

74HC00组成的方波振荡器

📅 01-01 查看 →
石英晶体方波波振荡器电电路图

石英晶体方波波振荡器电

📅 01-01 查看 →
8038波形发生器应用电路电路图

8038波形发生器应用电路

📅 01-01 查看 →
KD9561组成的警笛发生器电路图

KD9561组成的警笛发生器

📅 01-01 查看 →
uA795与uA747组成的正弦电路图

uA795与uA747组成的正弦

📅 01-01 查看 →
D触发器组成的二分频电路电路图

D触发器组成的二分频电路

📅 01-01 查看 →
带有光触发元件的交流信电路图

带有光触发元件的交流信

📅 01-01 查看 →
常见多谐振荡电路电路图

常见多谐振荡电路

📅 01-01 查看 →
60H脉冲发生器电路电路图

60H脉冲发生器电路

📅 01-01 查看 →
50Hz时基信号发生器电路电路图

50Hz时基信号发生器电路

📅 01-01 查看 →
数字式电子琴包络发生器电路图

数字式电子琴包络发生器

📅 01-01 查看 →
逆变器推动信号发生器电电路图

逆变器推动信号发生器电

📅 01-01 查看 →
调频广播发射机多功能检电路图

调频广播发射机多功能检

📅 01-01 查看 →
发光二极管用的1.25w脉电路图

发光二极管用的1.25w脉

📅 01-01 查看 →
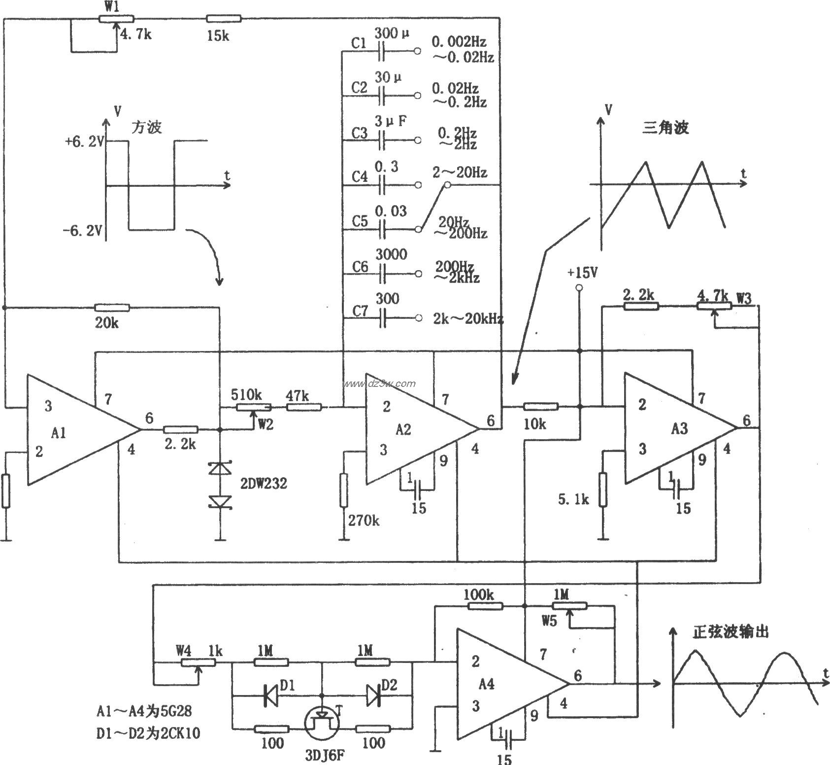
低频和超低频方波、三角电路图

低频和超低频方波、三角

📅 01-01 查看 →
用陶瓷滤波器3L465中频信电路图

用陶瓷滤波器3L465中频信

📅 01-01 查看 →
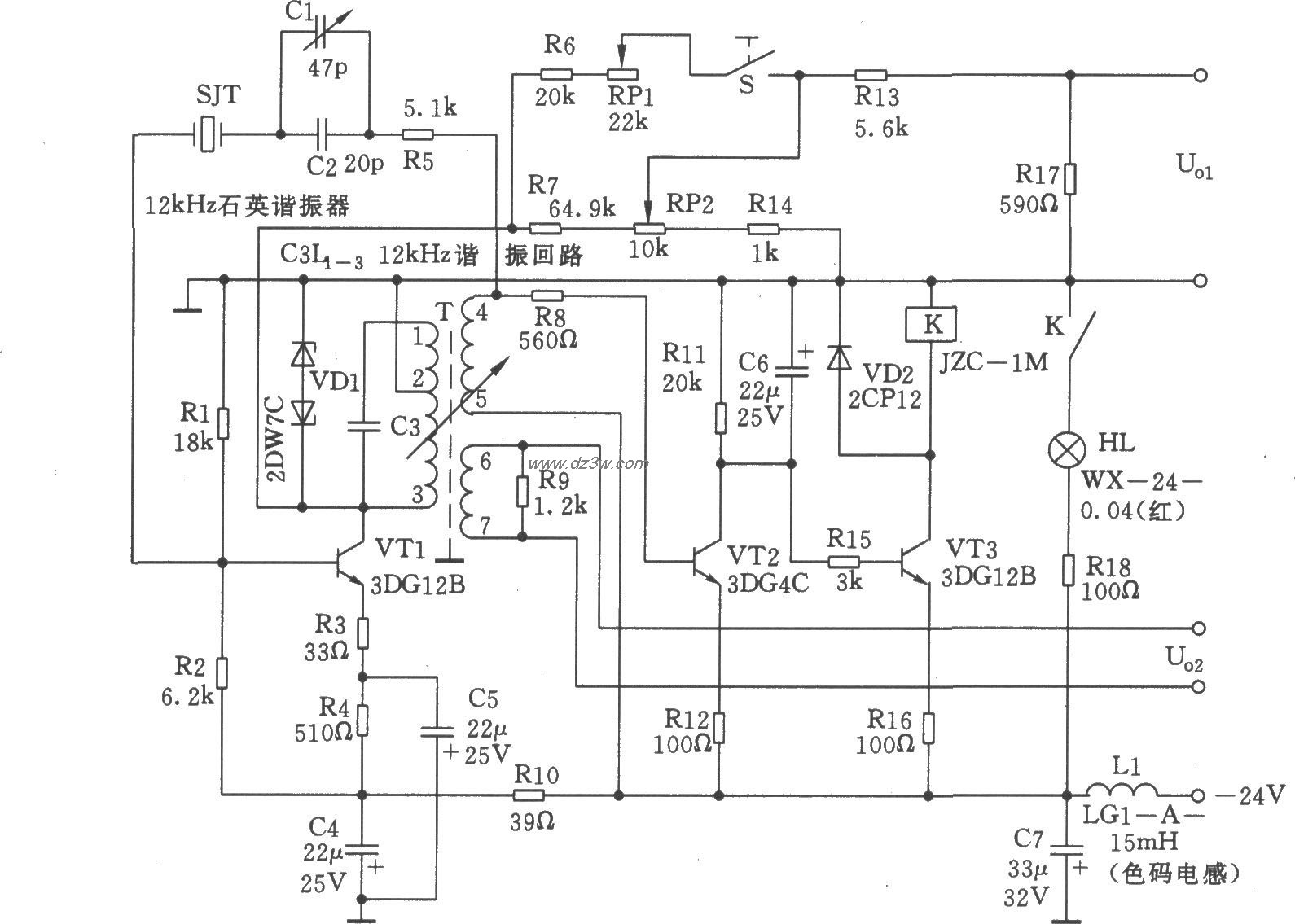
12kHz中频振荡器电路图电路图

12kHz中频振荡器电路图

📅 01-01 查看 →
  • 首页
  • « 上一页
  • 1
  • 2
  • 3
  • 4
  • 5
  • 6
  • 7
  • 8
  • 9
  • 10
  • 下一页 »
  • 末页
🔐 用户登录
加载中...

加载登录表单中...

🎁 免费注册送10积分
加载中...

加载注册表单中...

🔑 找回密码
加载中...

加载表单中...

🔐 需要登录
🔒

登录后即可使用!

🎁 新用户注册立即送10积分
积分可用于下载资源,免费获取优质技术资料
🚪 退出登录
👋

确认要退出登录吗?

退出后需要重新登录才能下载资源

关于虫虫

虫虫下载站是专业的电子工程师资源分享平台,汇聚 622,478+ 优质资源,为工程师提供免费、专业的技术资料。

🌐

快速链接

  • 📦 资源下载
  • 📁 资源专辑
  • 📐 电路图库
  • 📚 电子书籍
  • 🧮 在线计算器

帮助中心

  • 📋 服务条款
  • ℹ️ 关于我们
  • ⚠️ 免责声明
  • 🗺️ 网站地图

联系我们

扫码关注我们

虫虫下载站二维码

虫虫小帮手

© 2011-2025 虫虫下载站 - 专业的电子工程师资源分享平台 | 让技术资源触手可及

京ICP备2021023401号-1