⭐ 欢迎来到虫虫下载站! | 📦 资源下载 📁 资源专辑 ℹ️ 关于我们
⭐ 虫虫下载站
🔐 登录 📝 注册
虫虫下载站
虫虫下载站
专业电子工程师资源平台
📤 上传资源
  • 🏠 首页
  • 📦 资源下载
  • 📁 资源专辑
  • 🔧 热门软件
  • ⭐ 精品资源
  • 🎓 基础知识
  • 📐 电路图
  • 📚 电子书
  • 🔢 在线计算器
  • 🔍 代码搜索
🏠 首页 › 📐 电路图 › 保护电路

📐 保护电路

📊 共 179 个电路图 🎨 设计参考
三相电机缺相运行保护电电路图

三相电机缺相运行保护电

📅 01-01 查看 →
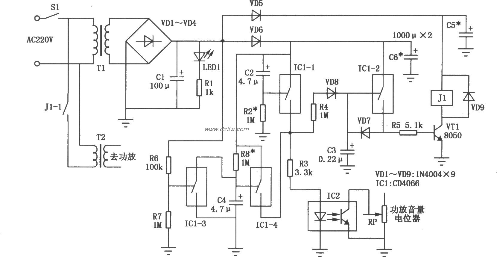
有线广播扩音机保护器电路图

有线广播扩音机保护器

📅 01-01 查看 →
由WB705构成的减流型保护电路图

由WB705构成的减流型保护

📅 01-01 查看 →
由MIC2951构成的过热保护电路图

由MIC2951构成的过热保护

📅 01-01 查看 →
由WB705构成的限流型保护电路图

由WB705构成的限流型保护

📅 01-01 查看 →
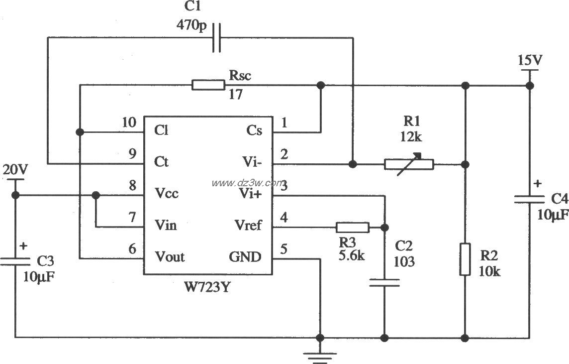
W723的高压限流型保护应电路图

W723的高压限流型保护应

📅 01-01 查看 →
可变门限的过电流、过电电路图

可变门限的过电流、过电

📅 01-01 查看 →
单片式过、欠电压保护电电路图

单片式过、欠电压保护电

📅 01-01 查看 →
H D一3A型节能限额三相供电路图

H D一3A型节能限额三相供

📅 01-01 查看 →
电源超欠压检测与延时保电路图

电源超欠压检测与延时保

📅 01-01 查看 →
自启动式过流保护控制电电路图

自启动式过流保护控制电

📅 01-01 查看 →
C036构成的多用家用电器电路图

C036构成的多用家用电器

📅 01-01 查看 →
保护开关电路电路图

保护开关电路

📅 01-01 查看 →
运放电源电压极性反接的电路图

运放电源电压极性反接的

📅 01-01 查看 →
运放电源过压保护电路电路图

运放电源过压保护电路

📅 01-01 查看 →
水塔自动供水保护电路电路图

水塔自动供水保护电路

📅 01-01 查看 →
过压或欠压动作电路电路图

过压或欠压动作电路

📅 01-01 查看 →
使用霍耳元件的可控硅过电路图

使用霍耳元件的可控硅过

📅 01-01 查看 →
一种KV保护电路电路图

一种KV保护电路

📅 01-01 查看 →
25欧姆扬声器的过载保护电路图

25欧姆扬声器的过载保护

📅 01-01 查看 →
三相三线制的缺相保护电电路图

三相三线制的缺相保护电

📅 01-01 查看 →
可自动复位的过压保护电电路图

可自动复位的过压保护电

📅 01-01 查看 →
带继电器的短路保护器电电路图

带继电器的短路保护器电

📅 01-01 查看 →
过压过流保护器电路电路图

过压过流保护器电路

📅 01-01 查看 →
电网电压故障保护指示电电路图

电网电压故障保护指示电

📅 01-01 查看 →
由U2403B恒流充电计时器电路图

由U2403B恒流充电计时器

📅 01-01 查看 →
交流电网下工作的温度保电路图

交流电网下工作的温度保

📅 01-01 查看 →
温度控闭保护电路电路图

温度控闭保护电路

📅 01-01 查看 →
三相电动机过热断相保护电路图

三相电动机过热断相保护

📅 01-01 查看 →
  • 首页
  • « 上一页
  • 1
  • 2
  • 3
  • 4
  • 5
  • 6
🔐 用户登录
加载中...

加载登录表单中...

🎁 免费注册送10积分
加载中...

加载注册表单中...

🔑 找回密码
加载中...

加载表单中...

🔐 需要登录
🔒

登录后即可使用!

🎁 新用户注册立即送10积分
积分可用于下载资源,免费获取优质技术资料
🚪 退出登录
👋

确认要退出登录吗?

退出后需要重新登录才能下载资源

关于虫虫

虫虫下载站是专业的电子工程师资源分享平台,汇聚 622,478+ 优质资源,为工程师提供免费、专业的技术资料。

🌐

快速链接

  • 📦 资源下载
  • 📁 资源专辑
  • 📐 电路图库
  • 📚 电子书籍
  • 🧮 在线计算器

帮助中心

  • 📋 服务条款
  • ℹ️ 关于我们
  • ⚠️ 免责声明
  • 🗺️ 网站地图

联系我们

扫码关注我们

虫虫下载站二维码

虫虫小帮手

© 2011-2025 虫虫下载站 - 专业的电子工程师资源分享平台 | 让技术资源触手可及

京ICP备2021023401号-1